Einstellungen Computer

Cub Cadet CC 714 HE 13H271DE603 (2015) Fahrantrieb Ersatzteile

Fahrantrieb 13H271DE603 (2015)

 Cub Cadet Rasentraktoren CC 714 HE 13H271DE603  (2015) Fahrantrieb

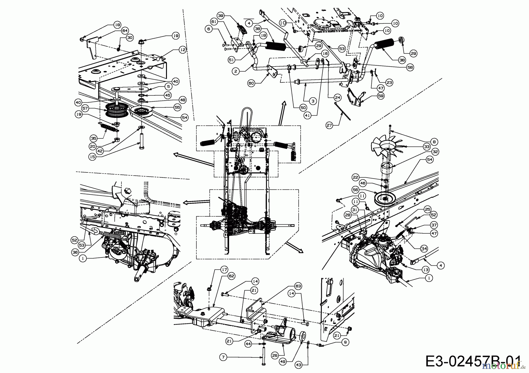
Hier finden Sie die Ersatzteilzeichnung für Cub Cadet Rasentraktoren CC 714 HE 13H271DE603 (2015) Fahrantrieb. Wählen Sie das benötigte Ersatzteil aus der Ersatzteilliste Ihres Cub Cadet Gerätes aus und bestellen Sie einfach online. Viele Cub Cadet Ersatzteile halten wir ständig in unserem Lager für Sie bereit.

BildNrArtikel NummerBezeichnung
1 618-04911GETRIEBE:HYDRO:HG T2:LT-5
2 647-04198PEDALWELLE VST:HYDRO HG TS LT5
3 647-04215BREMSWELLE VST:LT-5 HYD:RR DIS
4 647-05061
5 683-0604AHALTER VST:DOPPEL-SPANNROLLE
6 710-0111FL-RD-SCHR:1/4-20x1.25" LG
7 710-01896KT-SCHR:5/16-18x3.00:GR5:STD
8 710-050676KT-SCHRAUBE:C:#12-24:2.000"
9 Cub Cadet 6KT-SCHRAUBE:TT:1/4-20:0.500710-05996KT-SCHRAUBE:TT:1/4-20:0.500
10 Cub Cadet 6KT-SCHR:TT:5/16-18:0.625:HXIN710-0604A6KT-SCHR:TT:5/16-18:0.625:HXIN
11 Cub Cadet 6KT-SCHR:TT:5/16-18:0.500:HXIN710-06076KT-SCHR:TT:5/16-18:0.500:HXIN
12 710-0932AFL-RD SCHRAUBE:1/4-20:1.00:GR5
13 Cub Cadet 6KT-SCHR:B:#10-16:0.625:HX:SP710-10036KT-SCHR:B:#10-16:0.625:HX:SP
14 710-16826KT-SCHRAUBE:M8x25 DIN 933-8.8
15 Cub Cadet 6KT-SCHR.3/8-16:2.00:GR5:STD710-31446KT-SCHR.3/8-16:2.00:GR5:STD
16 Cub Cadet SPINDELMUTTER:1/2-20 x.500 DIA711-04036SPINDELMUTTER:1/2-20 x.500 DIA
17 Cub Cadet 6KT-BUNDMUTTER:5/16-18:NYLON712-040636KT-BUNDMUTTER:5/16-18:NYLON
18 Cub Cadet 6KT-BUNDMUTTER:1/4-20:NYLON712-040646KT-BUNDMUTTER:1/4-20:NYLON
19 Cub Cadet S-6KT-BUNDMUTTER 3/8-16:NYLON712-04065S-6KT-BUNDMUTTER 3/8-16:NYLON
20 Cub Cadet S-MUTTER:FLGLK:3/8-16:GRF:TOP712-0431S-MUTTER:FLGLK:3/8-16:GRF:TOP
21 712-07146KT-BUNDMUTTER M8-1.25:DIN6926
22 712-30666KT-MUTTER:1/2-20:GR5
23 Cub Cadet SPLINT:3/32 x 1.0"714-0111SPLINT:3/32 x 1.0"
24 Cub Cadet SPLINT:1/8 x 1.0"714-0115SPLINT:1/8 x 1.0"
25 Cub Cadet FEDERSTECKER714-04040FEDERSTECKER
26 719-0534LAGERBLOCK
27 725-0157KABELBINDER: 3/16 X .05 X 7.4
28 725-05050SCHALTFEDER:EINZELN MONTIERT
29 Cub Cadet AUFDRUCKKAPPE:.625 DIA726-0214AUFDRUCKKAPPE:.625 DIA
30 726-0233DRUCKSCHEIBE:.25 ID X .50 OD
31 726-04089ISOLIERSTÜCK:SCHALTER
32 731-07514BUCHSE:2 3/8 x 1 5/16:HYDR LT5
33 Cub Cadet LÜFTERFLÜGEL:MESSER:10731-1449ALÜFTERFLÜGEL:MESSER:10
34 732-0209ZUGFEDER: .48 OD x 2.03
35 Cub Cadet ZUGFEDER:.50 DIA x 3.97 LG732-0429AZUGFEDER:.50 DIA x 3.97 LG
36 Cub Cadet ZUGFEDER: .59 OD x 4.00 LG732-0716DZUGFEDER: .59 OD x 4.00 LG
37 732-3118ZUGFEDER:.375 OD x 1.44 LG
38 Cub Cadet PEDALGUMMI:RUND:GERILLT:4.0 LG735-0239PEDALGUMMI:RUND:GERILLT:4.0 LG
39 735-04113TRITTBRETTBELAG GUMMI REV.
40 Cub Cadet SCHEIBE:FL:.385 x 1.000 x .135736-0258SCHEIBE:FL:.385 x 1.000 x .135
41 Cub Cadet SCHEIBE:FL:.510 x 1.000 x.060736-0272SCHEIBE:FL:.510 x 1.000 x.060
42 Cub Cadet SCHEIBE:FLACH:.406 x.875 x.059736-0300SCHEIBE:FLACH:.406 x.875 x.059
43 Cub Cadet SCHEIBE A6.4  DIN      9021-ST736-0685SCHEIBE A6.4 DIN 9021-ST
44 736-0700SCHEIBE A8.4 DIN 125
45 Cub Cadet PASSSCHEIBE:16x22x1    DIN 988736-0773PASSSCHEIBE:16x22x1 DIN 988
46 736-0921FEDERRING 1/2"
47 Cub Cadet SCHEIBE:FLACH:.344x .750x .120736-3008SCHEIBE:FLACH:.344x .750x .120
48 Cub Cadet BUNDBUCHSE:1.00 X .38 X .38738-0372BBUNDBUCHSE:1.00 X .38 X .38
49 Cub Cadet KUGELLAGER:19mmx40mmODx12mm741-0998KUGELLAGER:19mmx40mmODx12mm
50 Cub Cadet LAGER:6KT/FLANSCH:.628 ID741-3065BLAGER:6KT/FLANSCH:.628 ID
51 747-05265SCHALTSTANGE:REV:HYDRO
52 747-05298SCHALTSTANGE:BY-PASS:HYDR:LT-5
53 747-05313BREMSSTANGE:LT-5:HYDRO T2
54 Cub Cadet KEILRIEMEN:V-TYP:1/2 x 84.10"754-04258KEILRIEMEN:V-TYP:1/2 x 84.10"
55 Cub Cadet SPANNROLLE:V-TYPE 3.06 OD756-0236SPANNROLLE:V-TYPE 3.06 OD
56 756-1052RIEMENSCHEIBE:GETRIEBE:4.50DIA
57 Cub Cadet SPANNROLLE:FLAT:.384x2.75x.875756-3054ASPANNROLLE:FLAT:.384x2.75x.875
58 783-04536BSTÜTZBLECH:PEDAL:LT-5
59 783-04862C
60 783-05809BFÜHRUNGSPLATTE:STEUERUNG
61 783-05867WINKELBLECH:REV:PEDAL:AUTOMATI
62 783-06563MONTAGEWINKEL:RECHTS:HYD:HG T2
63 783-06577HALTEBLECH:RECHTS HYDRO:LT-5
64 783-06582FEDERHALTER:HYDRO LT-5
Rasen
Bankeinzug, MasterCard, Visa, American Express, PayPal, Nachnahme, Vorauskasse, Sofortüberweisung
Datenschutzerklärung Impressum