Einkaufswagen
Mein Konto

Cub Cadet CC 1022 KHT 13HP93AT603 (2015) Fahrantrieb Ersatzteile

Fahrantrieb 13HP93AT603 (2015)

 Cub Cadet Rasentraktoren CC 1022 KHT 13HP93AT603  (2015) Fahrantrieb

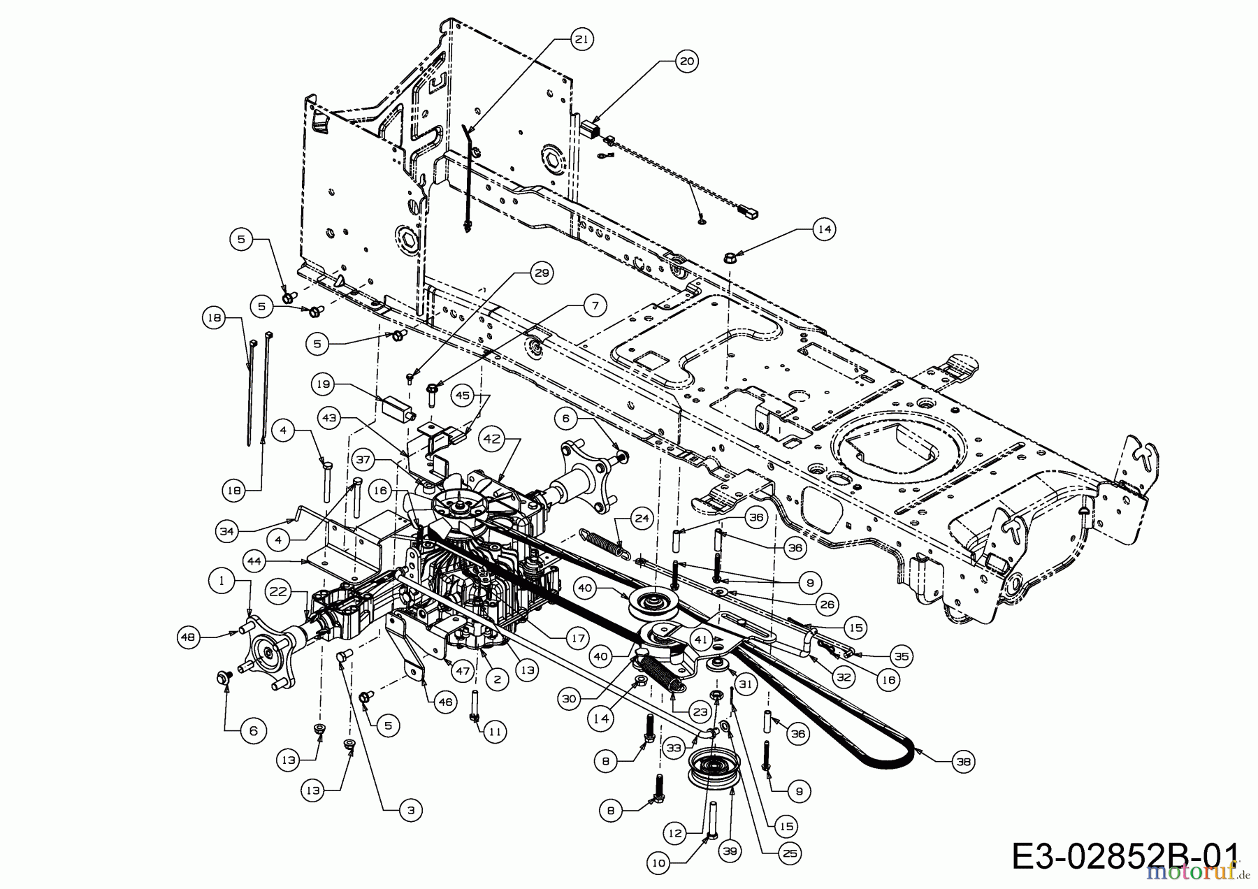
Hier finden Sie die Ersatzteilzeichnung für Cub Cadet Rasentraktoren CC 1022 KHT 13HP93AT603 (2015) Fahrantrieb. Wählen Sie das benötigte Ersatzteil aus der Ersatzteilliste Ihres Cub Cadet Gerätes aus und bestellen Sie einfach online. Viele Cub Cadet Ersatzteile halten wir ständig in unserem Lager für Sie bereit.

BildNrArtikel NummerBezeichnung
1 618-04228ARADAUFNAHME VOLLST:4-LOCH:CUB
2 618-05010GETRIEBE VOLLST:HYDRO:K46:LT
3 710-02166KT-SCHR:3/8-16 x.75 GR5:STD
4 Cub Cadet 6KT-SCHR:5/16-18:2.50:GR5:STD710-03786KT-SCHR:5/16-18:2.50:GR5:STD
5 Cub Cadet 6KT-SCHRAUBE:TT:5/16-18:.750710-044846KT-SCHRAUBE:TT:5/16-18:.750
6 Cub Cadet 6KT-SCHR:5/16-24:.750:GR5:SEMS710-05339A6KT-SCHR:5/16-24:.750:GR5:SEMS
7 Cub Cadet 6KT-SCHR.:TT:5/16-18:1.250:HXI710-08176KT-SCHR.:TT:5/16-18:1.250:HXI
8 Cub Cadet 6KT-SCHR:TTSEMS:3/8-16:1.500:710-10076KT-SCHR:TTSEMS:3/8-16:1.500:
9 Cub Cadet 6KT-SCHR:TT:1/4-20:1.750:HXIND710-10266KT-SCHR:TT:1/4-20:1.750:HXIND
10 710-30116KT-SCHR:3/8-16:2.25:GR5:STD
11 Cub Cadet 6KT-SCHR:5/16-18:1.75:GR5:STD710-31806KT-SCHR:5/16-18:1.75:GR5:STD
12 Cub Cadet 6KT-MUTTER:7/16-20:GR2712-02406KT-MUTTER:7/16-20:GR2
13 Cub Cadet 6KT-BUNDMUTTER:5/16-18:NYLON712-040636KT-BUNDMUTTER:5/16-18:NYLON
14 Cub Cadet S-MUTTER:FLGLK:3/8-16:GRF:TOP712-0431S-MUTTER:FLGLK:3/8-16:GRF:TOP
15 Cub Cadet SPLINT:3/32 x 1.0"714-0111SPLINT:3/32 x 1.0"
16 Cub Cadet FEDERSTECKER714-04040FEDERSTECKER
17 714-3010SPLINT:3/32 x .625
18 725-0157KABELBINDER: 3/16 X .05 X 7.4
19 Cub Cadet KONTAKTSCHALTER:NO/NC:4 POLIG725-04363KONTAKTSCHALTER:NO/NC:4 POLIG
20 725-05335DRAHTBRÜCKE:REVERSE:K46
21 726-0154KABELBINDER 7.5 LG:NYLON 6/6
22 731-09827AAUFSTECKHÜLSE:.765ID x 1.575LG
23 732-04792ZUGFEDER:1.00 OD x 4.75 x .125
24 Cub Cadet ZUGFEDER: .59 OD x 4.00 LG732-0716DZUGFEDER: .59 OD x 4.00 LG
25 Cub Cadet SCHEIBE:FLACH:.375 x.738 x.063736-0185SCHEIBE:FLACH:.375 x.738 x.063
26 736-0344SCHEIBE:FLACH:.385x1.000x.030
29 Cub Cadet SCHULTERSCHR:T:#10-32:.500738-04237ASCHULTERSCHR:T:#10-32:.500
30 738-0430SCHULTERSCHR: .50 x.685:3/8-16
31 738-04420BUNDBUCHSE:1.375x .380x .183
32 747-04957ASTANGE:GETRIEBE:FUSSPEDAL BYPA
33 747-05447BETÄTIGUNGSSTANGE:GETRIEBE:NX9
34 747-05448AUSKUPPELSTANGE:GETRIEBE:NX9
35 747-05452STANGE:BREMSE:NX9 TUFF-TORQ
36 Cub Cadet DISTANZSTÜCK:.260x.372x1.420LG750-04456DISTANZSTÜCK:.260x.372x1.420LG
37 750-05512DISTANZSTÜCK:.330x .715x .430
38 754-04297KEILRIEMEN:V TYP:4L x 85.0"
39 Cub Cadet RIEMENSCHEIBE:IDLER 2.75 OD756-04224RIEMENSCHEIBE:IDLER 2.75 OD
40 Cub Cadet SPANNROLLE:V-TYPE x 3.06756-04325SPANNROLLE:V-TYPE x 3.06
41 783-06027BSPANNROLLENHALTER:
42 783-06849
43 783-07260
44 783-07295
45 783-07347
46 783-07349
47 783-07350
48 710-0852RADBOLZEN:7/16-14 x 1.6
Rasen
Bankeinzug, MasterCard, Visa, American Express, PayPal, Nachnahme, Vorauskasse, Sofortüberweisung
Qualitätsmanagement
Informieren Sie uns, wenn Sie einen Fehler gefunden haben.