Cub Cadet CC 1020 RD 13AE51CN603 (2005) Armaturenbrett bis 22.11.2004 Ersatzteile
Armaturenbrett bis 22.11.2004 13AE51CN603 (2005)

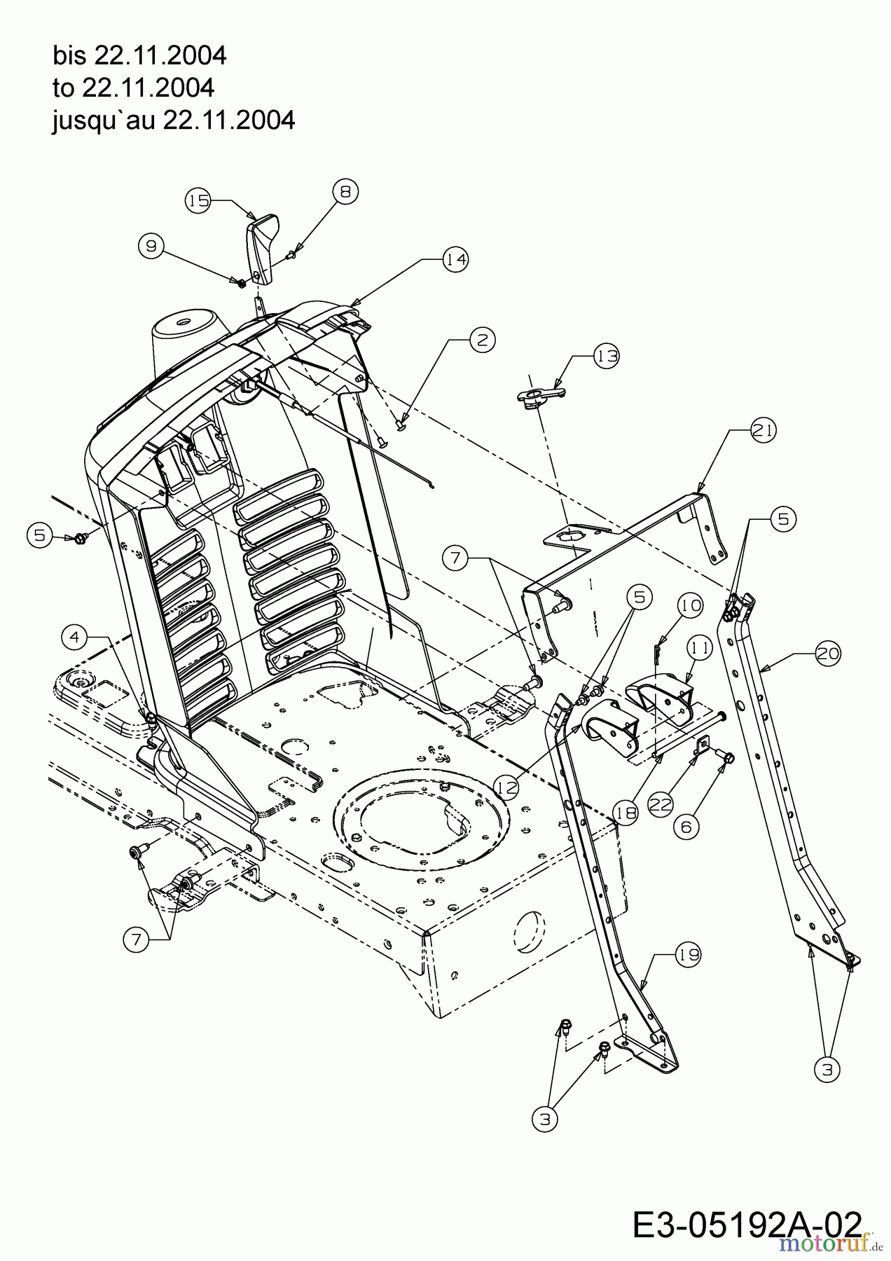
Hier finden Sie die Ersatzteilzeichnung für Cub Cadet Rasentraktoren CC 1020 RD 13AE51CN603 (2005) Armaturenbrett bis 22.11.2004. Wählen Sie das benötigte Ersatzteil aus der Ersatzteilliste Ihres Cub Cadet Gerätes aus und bestellen Sie einfach online. Viele Cub Cadet Ersatzteile halten wir ständig in unserem Lager für Sie bereit.


Qualitätsmanagement
Informieren Sie uns, wenn Sie einen Fehler gefunden haben.






