Yard-Man YM 23/50 13AP90YP371 (2011) Vorderachse Ersatzteile
Vorderachse 13AP90YP371 (2011)

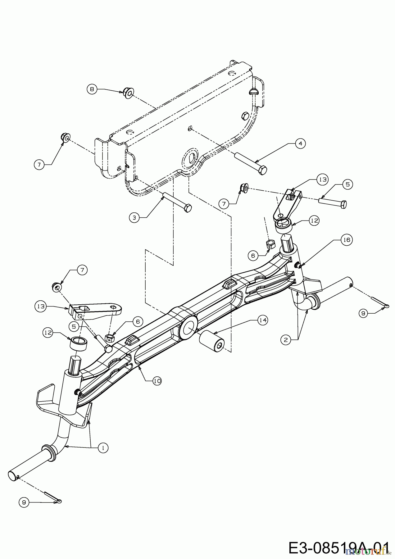
Hier finden Sie die Ersatzteilzeichnung für Yard-Man Rasentraktoren YM 23/50 13AP90YP371 (2011) Vorderachse. Wählen Sie das benötigte Ersatzteil aus der Ersatzteilliste Ihres Yard-Man Gerätes aus und bestellen Sie einfach online. Viele Yard-Man Ersatzteile halten wir ständig in unserem Lager für Sie bereit.


Qualitätsmanagement
Informieren Sie uns, wenn Sie einen Fehler gefunden haben.








