MTD LTEX 92 A 13HM98KE682 (2015) Schaltplan Ersatzteile
Schaltplan 13HM98KE682 (2015)
fertig

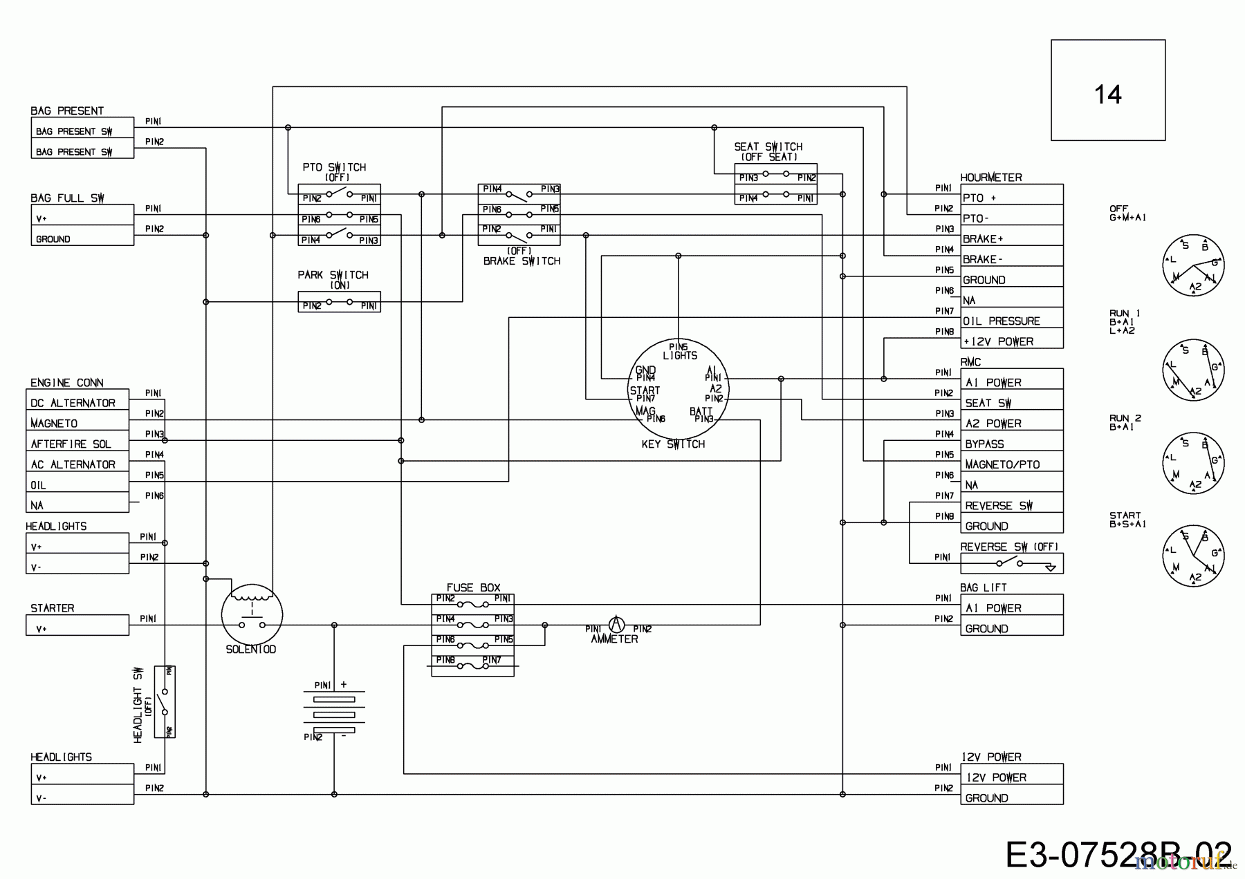
Hier finden Sie die Ersatzteilzeichnung für MTD Rasentraktoren LTEX 92 A 13HM98KE682 (2015) Schaltplan. Wählen Sie das benötigte Ersatzteil aus der Ersatzteilliste Ihres MTD Gerätes aus und bestellen Sie einfach online. Viele MTD Ersatzteile halten wir ständig in unserem Lager für Sie bereit.
| BildNr | Artikel Nummer | Bezeichnung | |
| 14 | 725-05352 | KABELBAUM:500NX:MAN:HR:AM:OCR: | |


Qualitätsmanagement
Informieren Sie uns, wenn Sie einen Fehler gefunden haben.

