Einstellungen Computer

Columbia 110/760 SL 135-3980 (1985) Armaturenbrett, Motorhaube, Sitzwanne Ersatzteile

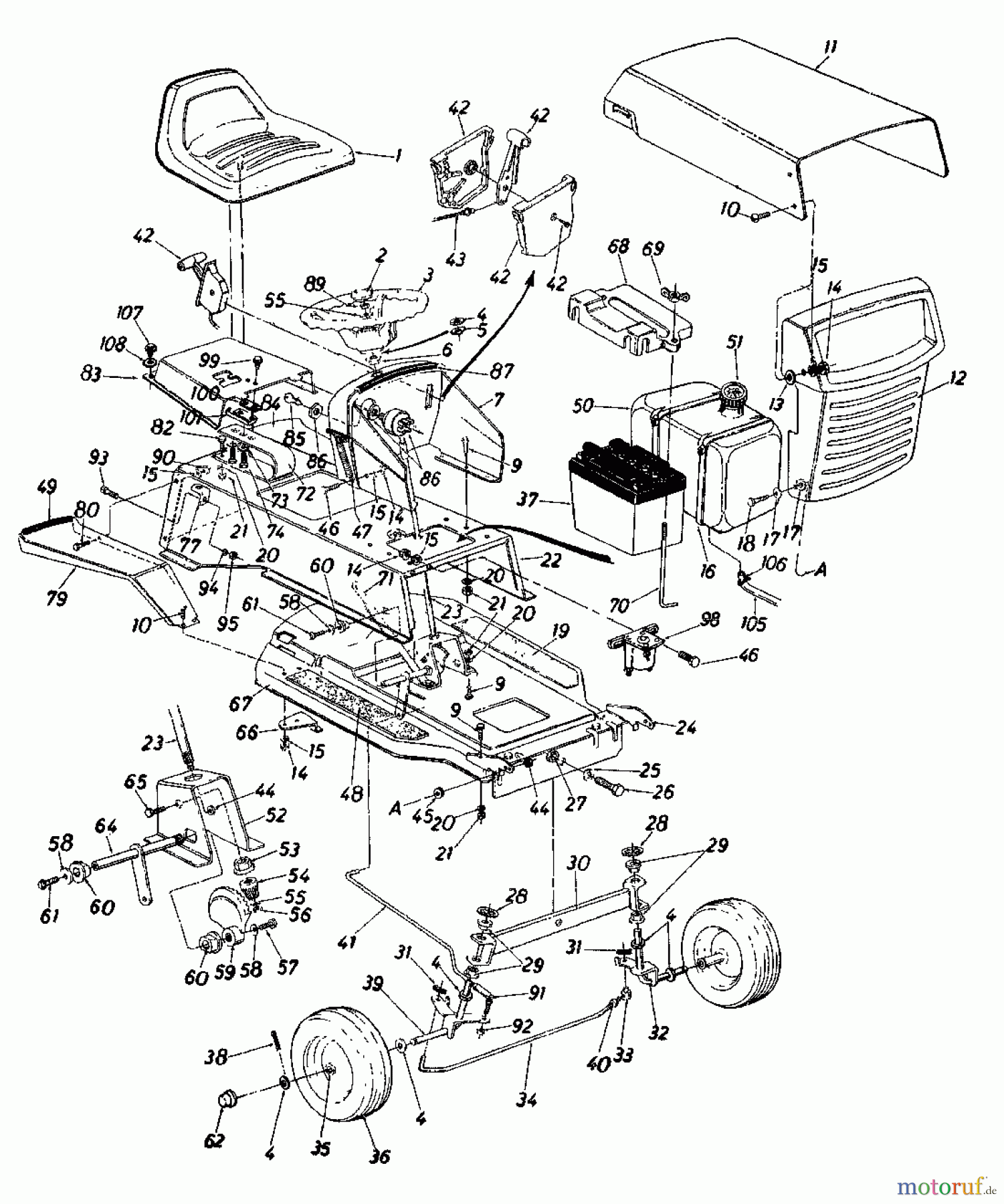
Armaturenbrett, Motorhaube, Sitzwanne 135-3980 (1985)

 Columbia Rasentraktoren 110/760 SL 135-3980  (1985) Armaturenbrett, Motorhaube, Sitzwanne

Hier finden Sie die Ersatzteilzeichnung für Columbia Rasentraktoren 110/760 SL 135-3980 (1985) Armaturenbrett, Motorhaube, Sitzwanne. Wählen Sie das benötigte Ersatzteil aus der Ersatzteilliste Ihres Columbia Gerätes aus und bestellen Sie einfach online. Viele Columbia Ersatzteile halten wir ständig in unserem Lager für Sie bereit.

BildNrArtikel NummerBezeichnung
1 757-0309SITZ
2 731-0220LENKRADKAPPE rund/schw. 5.5
3 731-0219LENKRAD 30,5 CM
4 736-0156SCHEIBE:FLACH:.635x1.125x.090
5 Columbia WELLENSCHEIBE:.625x.885x.015736-0174WELLENSCHEIBE:.625x.885x.015
6 Columbia SECHSKANT-FLANSCHLAGER741-0225SECHSKANT-FLANSCHLAGER
7 16037ARMATURENBRETT
9 710-0198SKT-Z-SCHR.5/16-18X.75"
10 710-0255FLK-SCHR.1/4-20:.750:BUT
11 11836MOTORHAUBE
12 nicht mehr lieferbar 731-0563KÜHLERGRILL
13 736-0142FL-SCHEIBE:.281 x .50 x .063
14 712-02876KT-MUTTER:1/4-20:GR2
15 Columbia FEDERRING 1/4" NORMALAUSF.736-0329FEDERRING 1/4" NORMALAUSF.
16 Columbia KABELBINDER: 7.8 x 750 mm726-0209KABELBINDER: 7.8 x 750 mm
17 Columbia SCHEIBE:FL:.406 x.875 x.059736-0300SCHEIBE:FL:.406 x.875 x.059
18 710-0253SKT-SCHRAUBE 3/8-16X1"
19 723-0305TRITTBRETTAUFLAGE LINKS
20 Columbia FEDERRING:5/16" NORMALAUSF.736-0119FEDERRING:5/16" NORMALAUSF.
21 712-02676KT-MUTTER:5/16-18:GR2
22 13880OBERES RAHMENTEIL
23 738-0307LENKSÄULE
24 12746HALTER
25 Columbia FEDERRING:5/8"  NORMALAUSF.736-0158FEDERRING:5/8" NORMALAUSF.
26 710-0312SKT-SPEZ.SCHR.5/8-18X1.31
27 712-0923SKT-MUTTER 5/8-18"
28 726-0159BAUFDRUCKKAPPE .625"
29 Columbia SECHSKANT-FLANSCHLAGER741-0225SECHSKANT-FLANSCHLAGER
30 13274PENDELACHSE ZUS.
31 Columbia SPLINT:1/8 x 1.0"714-0115SPLINT:1/8 x 1.0"
32 14453ACHSSCHENKEL LINKS
33 Columbia SPINDELMUTTER 3/8-24 x.375 DIA711-0198SPINDELMUTTER 3/8-24 x.375 DIA
34 747-0144SPURSTANGE
35 Columbia FLANSCHLAGERBUCHSE: .632 ID741-0487CFLANSCHLAGERBUCHSE: .632 ID
36 734-1454ARAD KOMPL. 11 X 4.00 ST
37 725-1633BATTERIE 12V 14AH 145X90X170
38 Columbia SPLINT:1/8 x 1.25" LG714-0470SPLINT:1/8 x 1.25" LG
40 Columbia 6KT-MUTTER:3/8-24:GR5712-07116KT-MUTTER:3/8-24:GR5
41 711-0625LENKGESTÄNGE
42 Columbia MOTORBETRIEBSSCHALTER KPL931-0823AMOTORBETRIEBSSCHALTER KPL
43 Columbia BOWDENZUG LOSE 18.5"746-0501BOWDENZUG LOSE 18.5"
44 712-0375SKT-S-MUTTER:3/8-16:GRA:CTRLK
45 748-0190DISTANZHÜLSE:.508IDx.750ODx.68
46 710-0289SKT-SCHR.1/4-20X.50"
47 723-0296MOTORHAUBE-VERSCHLUSS KPL
48 723-0304TRITTBRETTAUFLAGE RECHTS
49 731-0497U-VINYL-STREIFEN LG. 2.40M
50 751-0172TANK VOLLST.
51 723-0333TANKVERSCHLUß M. ANZEIGE L=20
52 12850BÜGEL F.LENKGETRIEBE
53 741-0226SKT-FLANSCHLAGER .507"
54 748-0237KEGELRAD
55 Columbia TELLERFEDER.340 x.872 x.060736-0242TELLERFEDER.340 x.872 x.060
56 Columbia 6KT-S-MUTTER:5/16-18:GR5:NYLON712-04296KT-S-MUTTER:5/16-18:GR5:NYLON
57 710-0180SKT-SCHRAUBE 3/8-24X.75"
58 Columbia TELLERFEDER:.401 x.870 x.063736-0105TELLERFEDER:.401 x.870 x.063
59 748-0236LENKSEGMENT
60 Columbia FLANSCHLAGER M. FLÄCHEN741-0199FLANSCHLAGER M. FLÄCHEN
61 710-0325SKT-SCHR.3/8-24X.50"
62 Columbia RADKAPPE VORNE731-0484ARADKAPPE VORNE
64 12749LENKHEBELWELLE ZUS.
65 nmlSKT-NYL.SCHR.3/8-16X1.25"
66 11055KEILRIEMENSCHUTZ
67 13879RAHMEN
68 731-0708BATTERIEDECKEL
69 712-0113FLÜGELMUTTER 1/4-20"
70 711-0222GEWINDESTANGE
71 12934STREBE
72 732-0256SITZ-BLATTFEDER
73 736-0921FEDERRING 1/2"
74 710-04936KT-SCHR:1/2-13:1.00:GR2:STD
77 9963ANHÄNGEWINKEL
79 11002KOTFLÜGEL HINTEN RE.+LI.
80 Columbia 6KT-SCHR.1/4-28:.625:GR5:STD710-01956KT-SCHR.1/4-28:.625:GR5:STD
82 710-0322SKT-Z-SCHR.5/16-18X1.00"
83 13881ABDECKUNG
84 11002KOTFLÜGEL HINTEN RE.+LI.
85 Columbia ZÜNDSCHLÜSSEL725-0201ZÜNDSCHLÜSSEL
87 731-0511KANTENSCHUTZ
89 712-0158S-MUTTER:5/16-18:GR A:CTRLK
90 712-0138SKT-MUTTER 1/4-28"
91 723-0156KUGELGELENK ZUS:3/8-24
92 Columbia 6KT-S-MUTTER:3/8-24:GR2:NYLON712-01166KT-S-MUTTER:3/8-24:GR2:NYLON
93 710-02166KT-SCHR:3/8-16 x.75 GR5:STD
94 Columbia FEDERRING 3/8"736-0169FEDERRING 3/8"
95 712-07986KT-MUTTER:3/8-16:GR2
98 Columbia MAGNETSCHALTER725-0771MAGNETSCHALTER
99 Columbia 6KT-BLECHSCHR:#8-18:0.500:HXIN710-02276KT-BLECHSCHR:#8-18:0.500:HXIN
100 726-0222ISOLATOR
101 725-0759SCHALTER
105 Columbia BENZINSCHLAUCH  METERWARE751-0535-METBENZINSCHLAUCH METERWARE
106 726-0207SCHLAUCHKLEMME
107 Columbia 6KT-SCHR:TT:1/4-20:0.500:HXIND710-05996KT-SCHR:TT:1/4-20:0.500:HXIND
108 Columbia TELLERSCHEIBE:.265x.750x.060736-0270TELLERSCHEIBE:.265x.750x.060
Rasen
Bankeinzug, MasterCard, Visa, American Express, PayPal, Nachnahme, Vorauskasse, Sofortüberweisung
Datenschutzerklärung Impressum
Qualitätsmanagement
Informieren Sie uns, wenn Sie einen Fehler gefunden haben.