Wolf-Garten SF 56 31A-32AD650 (2015) Schaufelrad Ersatzteile
Schaufelrad 31A-32AD650 (2015)

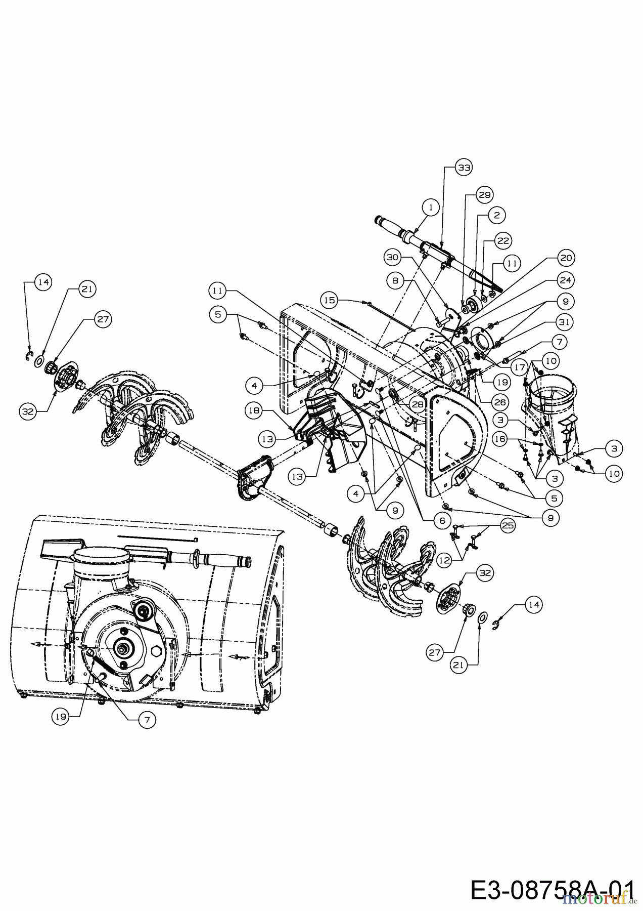
Hier finden Sie die Ersatzteilzeichnung für Wolf-Garten Schneefräsen SF 56 31A-32AD650 (2015) Schaufelrad. Wählen Sie das benötigte Ersatzteil aus der Ersatzteilliste Ihres Wolf-Garten Gerätes aus und bestellen Sie einfach online. Viele Wolf-Garten Ersatzteile halten wir ständig in unserem Lager für Sie bereit.


Qualitätsmanagement
Informieren Sie uns, wenn Sie einen Fehler gefunden haben.

















