Massey Ferguson MF 50-23 IZ 17AH9TKP695 (2009) Schaltplan Ersatzteile
Schaltplan 17AH9TKP695 (2009)

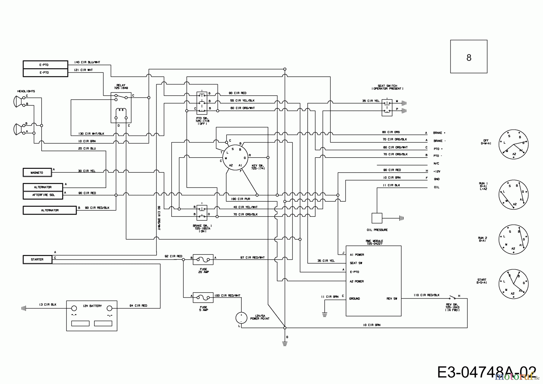
Hier finden Sie die Ersatzteilzeichnung für Massey Ferguson Zero Turn MF 50-23 IZ 17AH9TKP695 (2009) Schaltplan. Wählen Sie das benötigte Ersatzteil aus der Ersatzteilliste Ihres Massey Ferguson Gerätes aus und bestellen Sie einfach online. Viele Massey Ferguson Ersatzteile halten wir ständig in unserem Lager für Sie bereit.


Qualitätsmanagement
Informieren Sie uns, wenn Sie einen Fehler gefunden haben.

