Massey Ferguson MF 50-22 FMZ 17AI4BFP695 (2009) Mähwerksrahmen ab 04.11.2008 Ersatzteile
Mähwerksrahmen ab 04.11.2008 17AI4BFP695 (2009)

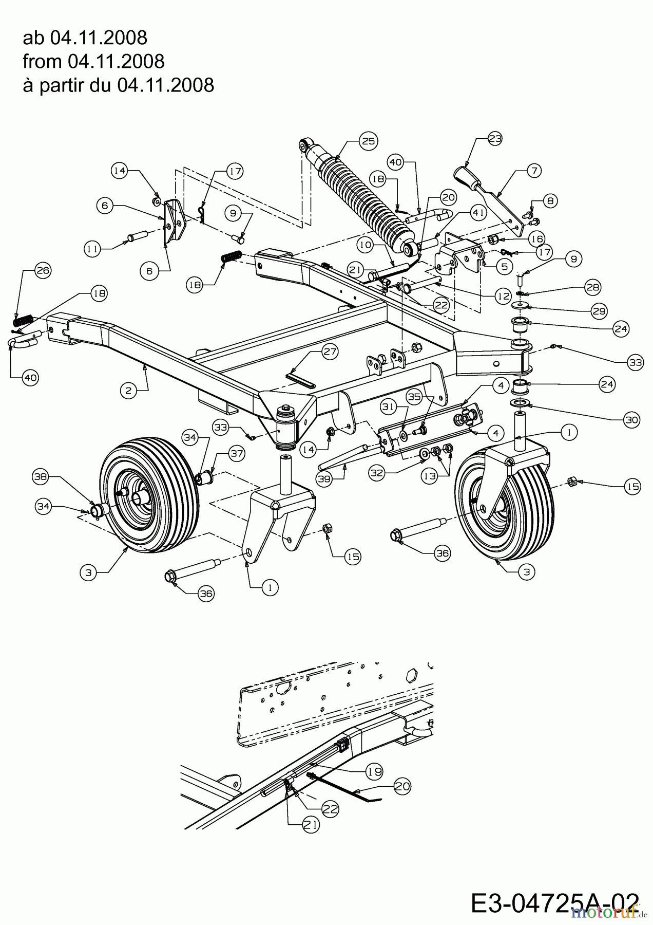
Hier finden Sie die Ersatzteilzeichnung für Massey Ferguson Zero Turn MF 50-22 FMZ 17AI4BFP695 (2009) Mähwerksrahmen ab 04.11.2008. Wählen Sie das benötigte Ersatzteil aus der Ersatzteilliste Ihres Massey Ferguson Gerätes aus und bestellen Sie einfach online. Viele Massey Ferguson Ersatzteile halten wir ständig in unserem Lager für Sie bereit.


Qualitätsmanagement
Informieren Sie uns, wenn Sie einen Fehler gefunden haben.















