Massey Ferguson MF 50-22 ZT 17AI2ACP695 (2010) Elektromagnetkupplung, Motorzubehör bis 18.01.2010 Ersatzteile
Elektromagnetkupplung, Motorzubehör bis 18.01.2010 17AI2ACP695 (2010)

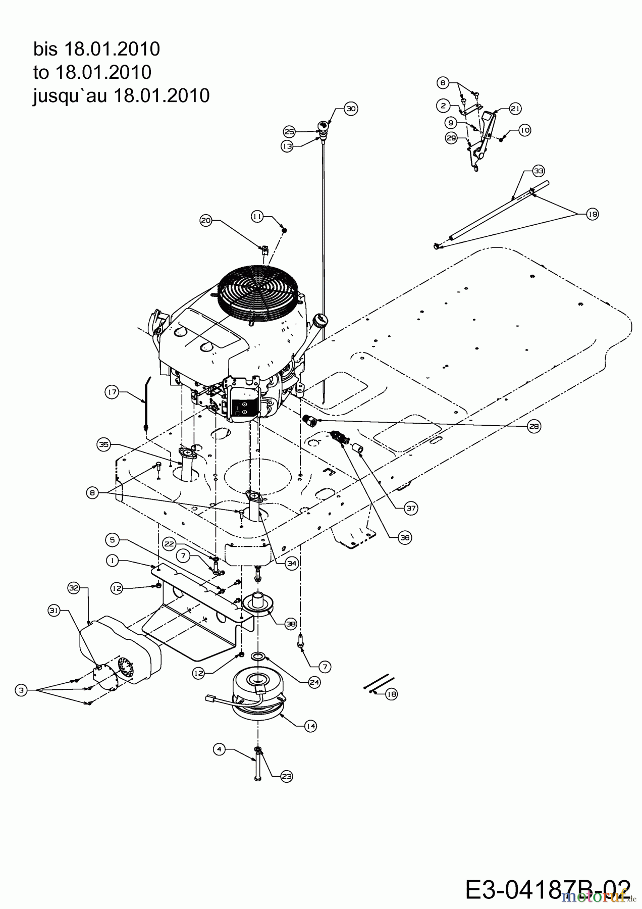
Hier finden Sie die Ersatzteilzeichnung für Massey Ferguson Zero Turn MF 50-22 ZT 17AI2ACP695 (2010) Elektromagnetkupplung, Motorzubehör bis 18.01.2010. Wählen Sie das benötigte Ersatzteil aus der Ersatzteilliste Ihres Massey Ferguson Gerätes aus und bestellen Sie einfach online. Viele Massey Ferguson Ersatzteile halten wir ständig in unserem Lager für Sie bereit.


Qualitätsmanagement
Informieren Sie uns, wenn Sie einen Fehler gefunden haben.














