Robomow RC304U (White) 22ACBW-A619 (2018) Ersatzteile
22ACBW-A619 (2018) RC304U (White)

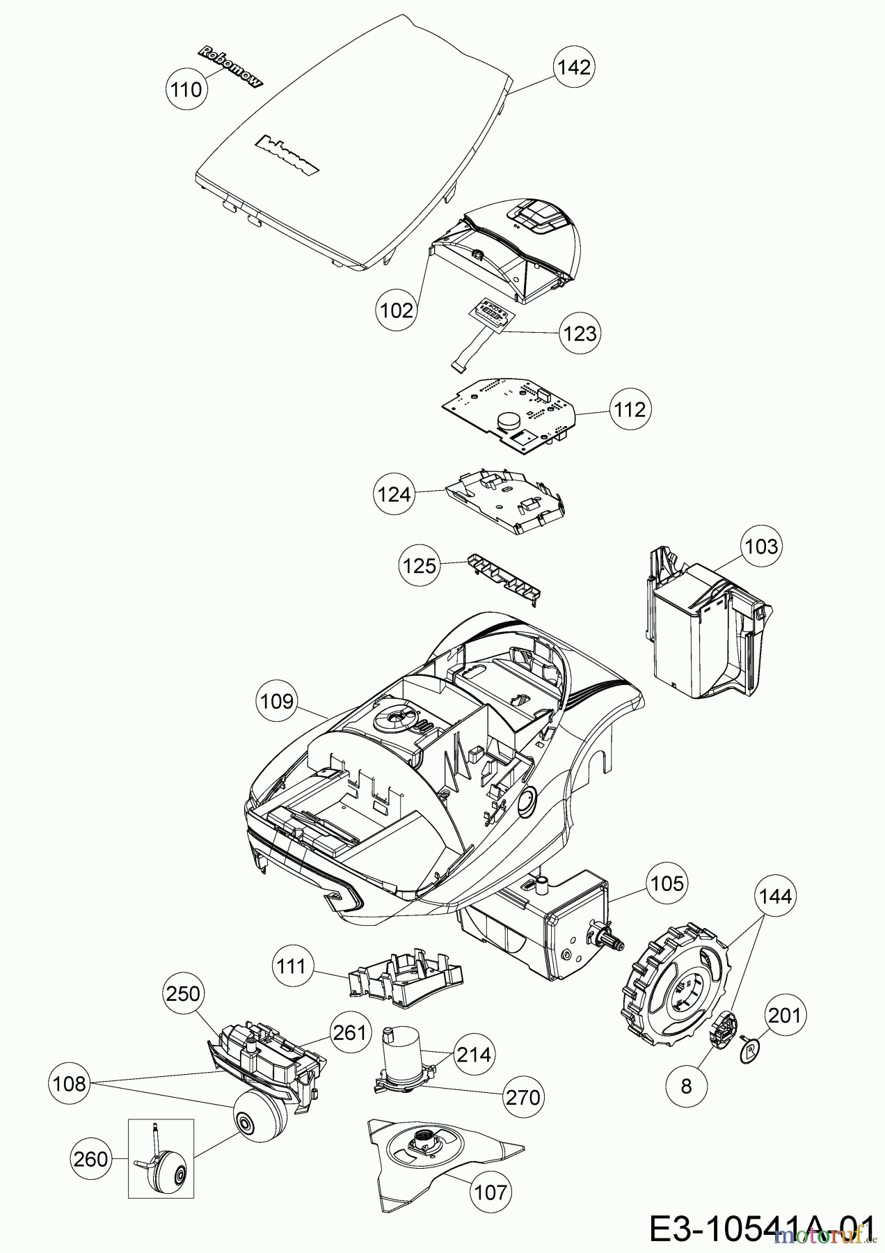
Hier finden Sie die Ersatzteilzeichnung für Robomow Mähroboter RC304U (White) 22ACBW-A619 (2018) Grundgerät. Wählen Sie das benötigte Ersatzteil aus der Ersatzteilliste Ihres Robomow Gerätes aus und bestellen Sie einfach online. Viele Robomow Ersatzteile halten wir ständig in unserem Lager für Sie bereit.






