MTD-Motoren 9Q78XU 752Z9Q78XU (2018) Schaltplan Ersatzteile
Schaltplan 752Z9Q78XU (2018)

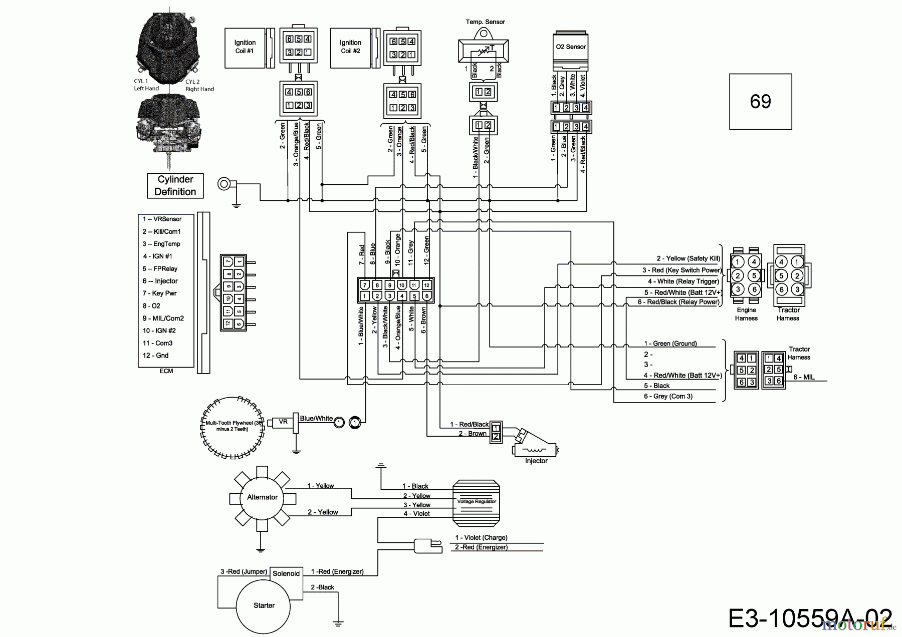
Hier finden Sie die Ersatzteilzeichnung für MTD-Motoren Vertikal 9Q78XU 752Z9Q78XU (2018) Schaltplan. Wählen Sie das benötigte Ersatzteil aus der Ersatzteilliste Ihres MTD-Motoren Gerätes aus und bestellen Sie einfach online. Viele MTD-Motoren Ersatzteile halten wir ständig in unserem Lager für Sie bereit.
| BildNr | Artikel Nummer | Bezeichnung | |
| 69 | 725-06895 | KABELBAUM VTWIN EFI Q78 | |


Qualitätsmanagement
Informieren Sie uns, wenn Sie einen Fehler gefunden haben.

