MTD-Motoren 7T84JU 752Z7T84JU (2017) Auspuff Ersatzteile
Auspuff 752Z7T84JU (2017)

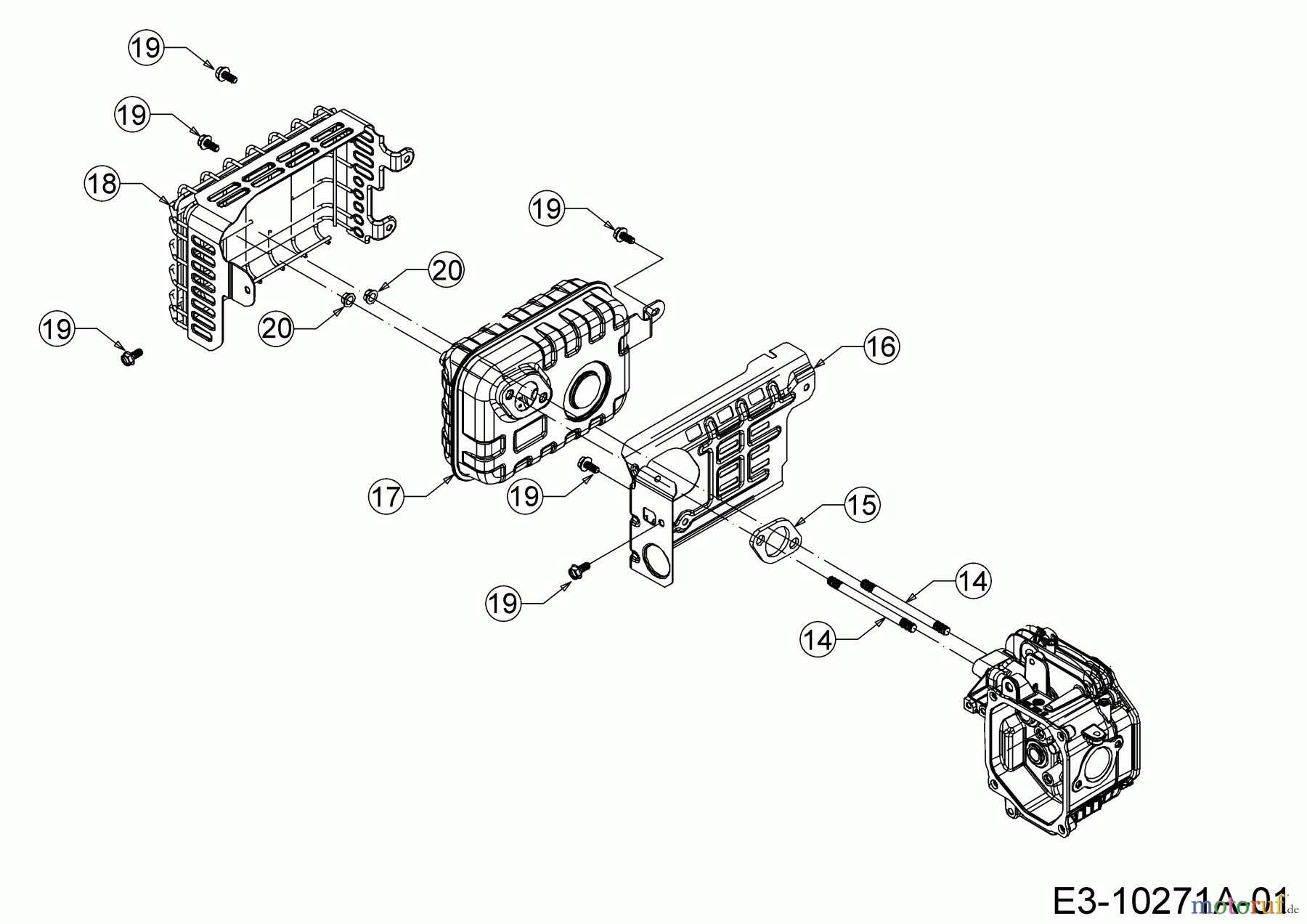
Hier finden Sie die Ersatzteilzeichnung für MTD-Motoren Vertikal 7T84JU 752Z7T84JU (2017) Auspuff. Wählen Sie das benötigte Ersatzteil aus der Ersatzteilliste Ihres MTD-Motoren Gerätes aus und bestellen Sie einfach online. Viele MTD-Motoren Ersatzteile halten wir ständig in unserem Lager für Sie bereit.
| BildNr | Artikel Nummer | Bezeichnung | |
| 14 | 710-06615 | STEHBOLZEN M8X102 | |
| 15 | 751-15658 | DICHTUNG SCHALLDÄMPFER | |
| 16 | 751-15659 | ABDECKUNG | |
| 17 | 751-15660 | SCHALLDÄMPFER | |
| 18 | 751-15661 | AUSPUFFSCHUTZ | |
| 19 | 710-04916 | SCHRAUBE M6X14 | |
| 20 | 751-15427 | MUTTER M8 | |



