MTD-Motoren 5T65RH 752Z5T65RH (2018) Rumpfmotor Ersatzteile
Rumpfmotor 752Z5T65RH (2018)

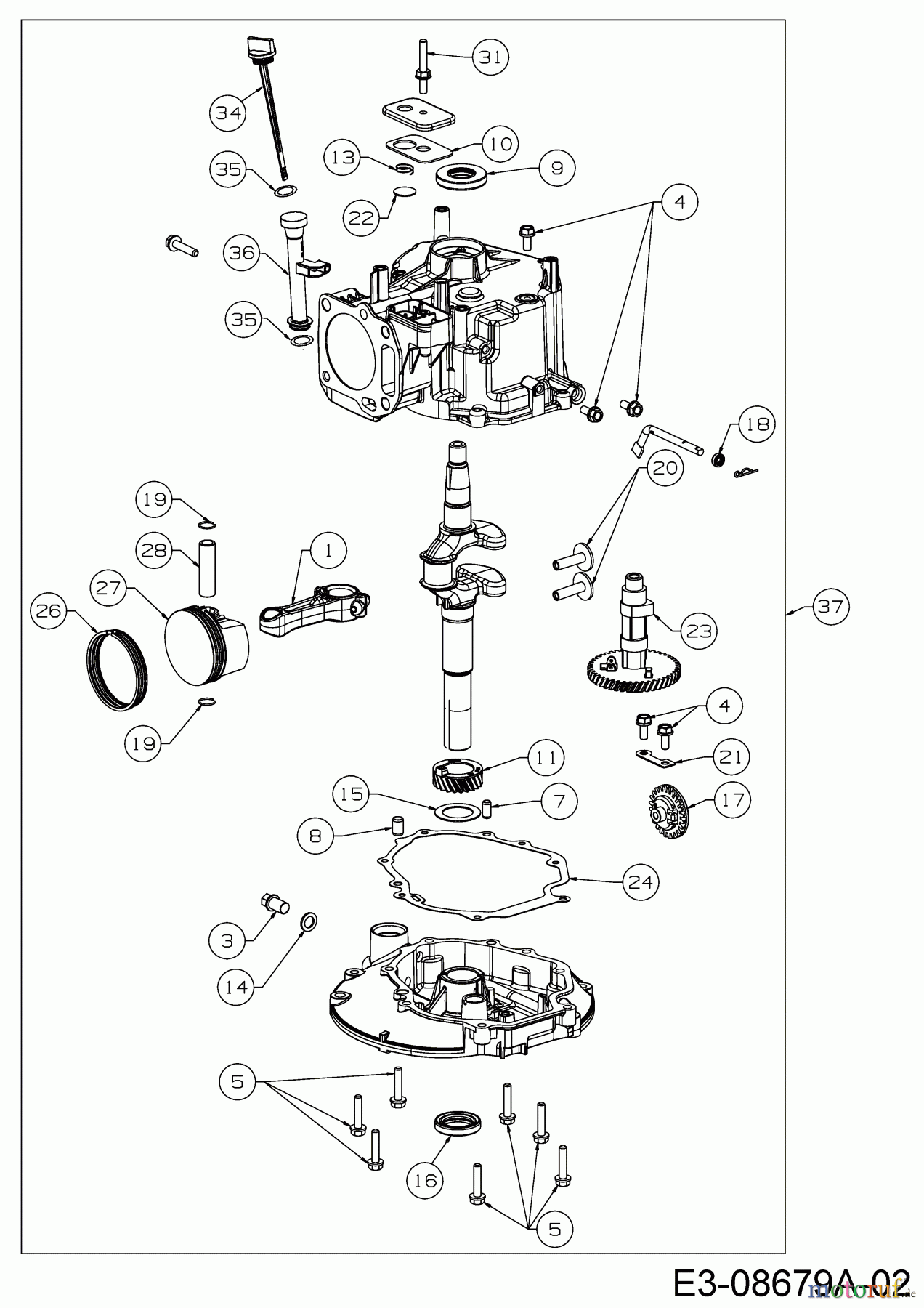
Hier finden Sie die Ersatzteilzeichnung für MTD-Motoren Vertikal 5T65RH 752Z5T65RH (2018) Rumpfmotor. Wählen Sie das benötigte Ersatzteil aus der Ersatzteilliste Ihres MTD-Motoren Gerätes aus und bestellen Sie einfach online. Viele MTD-Motoren Ersatzteile halten wir ständig in unserem Lager für Sie bereit.


Qualitätsmanagement
Informieren Sie uns, wenn Sie einen Fehler gefunden haben.

