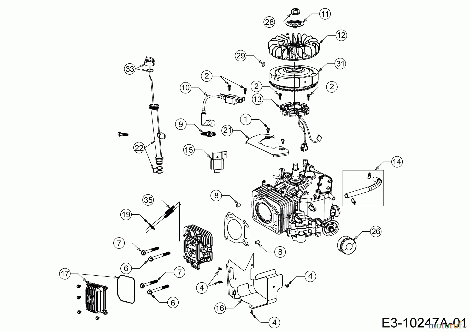
MTD-Motoren 4P90JHB 752Z4P90JHB (2013) Ölfilter, Ölmeßstab, Zündung, Zylinderkopfdeckel Ersatzteile
Ölfilter, Ölmeßstab, Zündung, Zylinderkopfdeckel 752Z4P90JHB (2013)

Hier finden Sie die Ersatzteilzeichnung für MTD-Motoren Vertikal 4P90JHB 752Z4P90JHB (2013) Ölfilter, Ölmeßstab, Zündung, Zylinderkopfdeckel. Wählen Sie das benötigte Ersatzteil aus der Ersatzteilliste Ihres MTD-Motoren Gerätes aus und bestellen Sie einfach online. Viele MTD-Motoren Ersatzteile halten wir ständig in unserem Lager für Sie bereit.


Qualitätsmanagement
Informieren Sie uns, wenn Sie einen Fehler gefunden haben.




