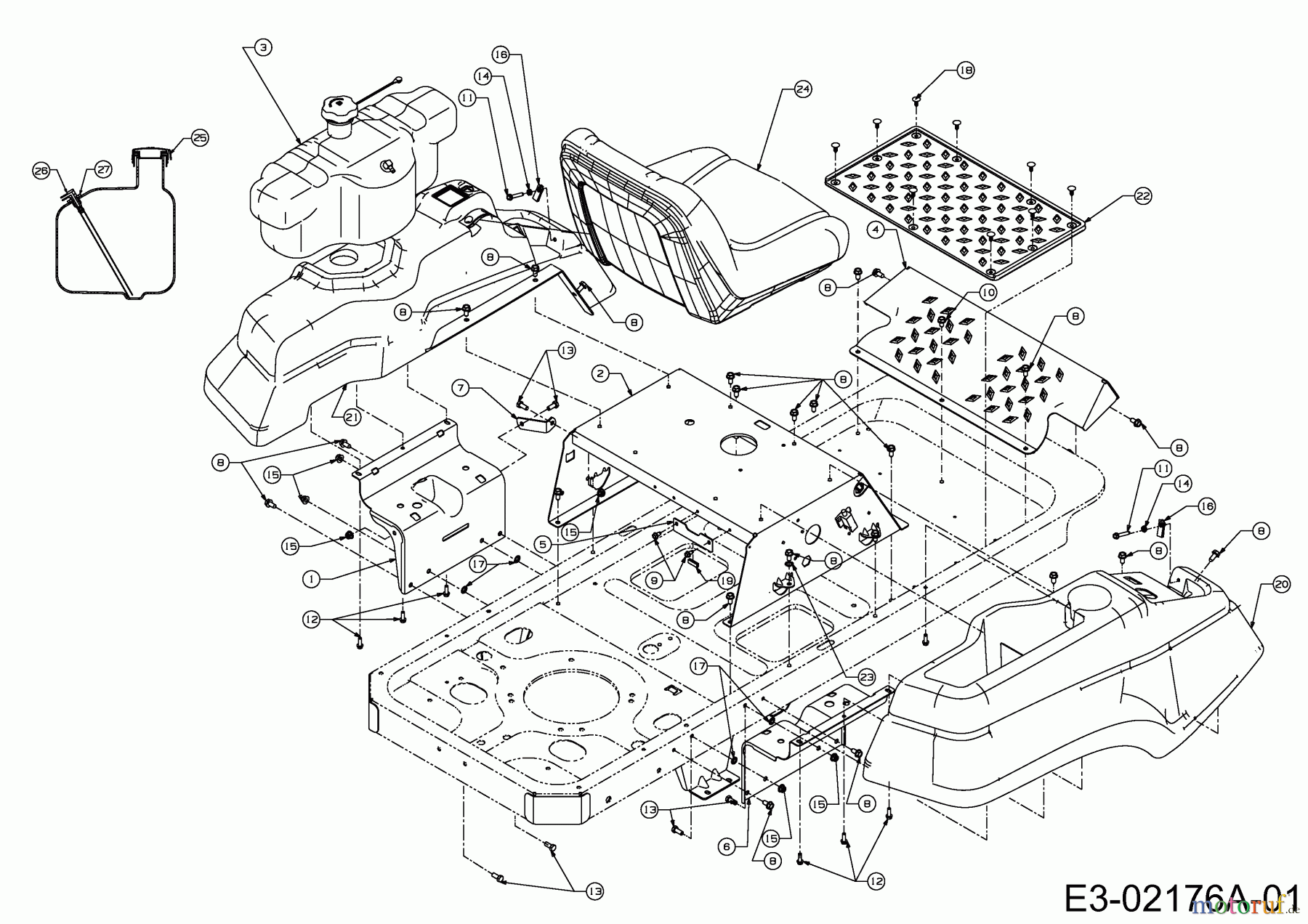
Troy-Bilt Mustang XP 50 17BF2ACP066 (2011) Sitzplatte, Trägerplatte Tank, Tankverkleidung Ersatzteile
Sitzplatte, Trägerplatte Tank, Tankverkleidung 17BF2ACP066 (2011)

Hier finden Sie die Ersatzteilzeichnung für Troy-Bilt Zero Turn Mustang XP 50 17BF2ACP066 (2011) Sitzplatte, Trägerplatte Tank, Tankverkleidung. Wählen Sie das benötigte Ersatzteil aus der Ersatzteilliste Ihres Troy-Bilt Gerätes aus und bestellen Sie einfach online. Viele Troy-Bilt Ersatzteile halten wir ständig in unserem Lager für Sie bereit.















