Einkaufswagen
Mein Konto

Troy-Bilt Pony 42 13AD77KS309 (2018) Schaltplan Ersatzteile

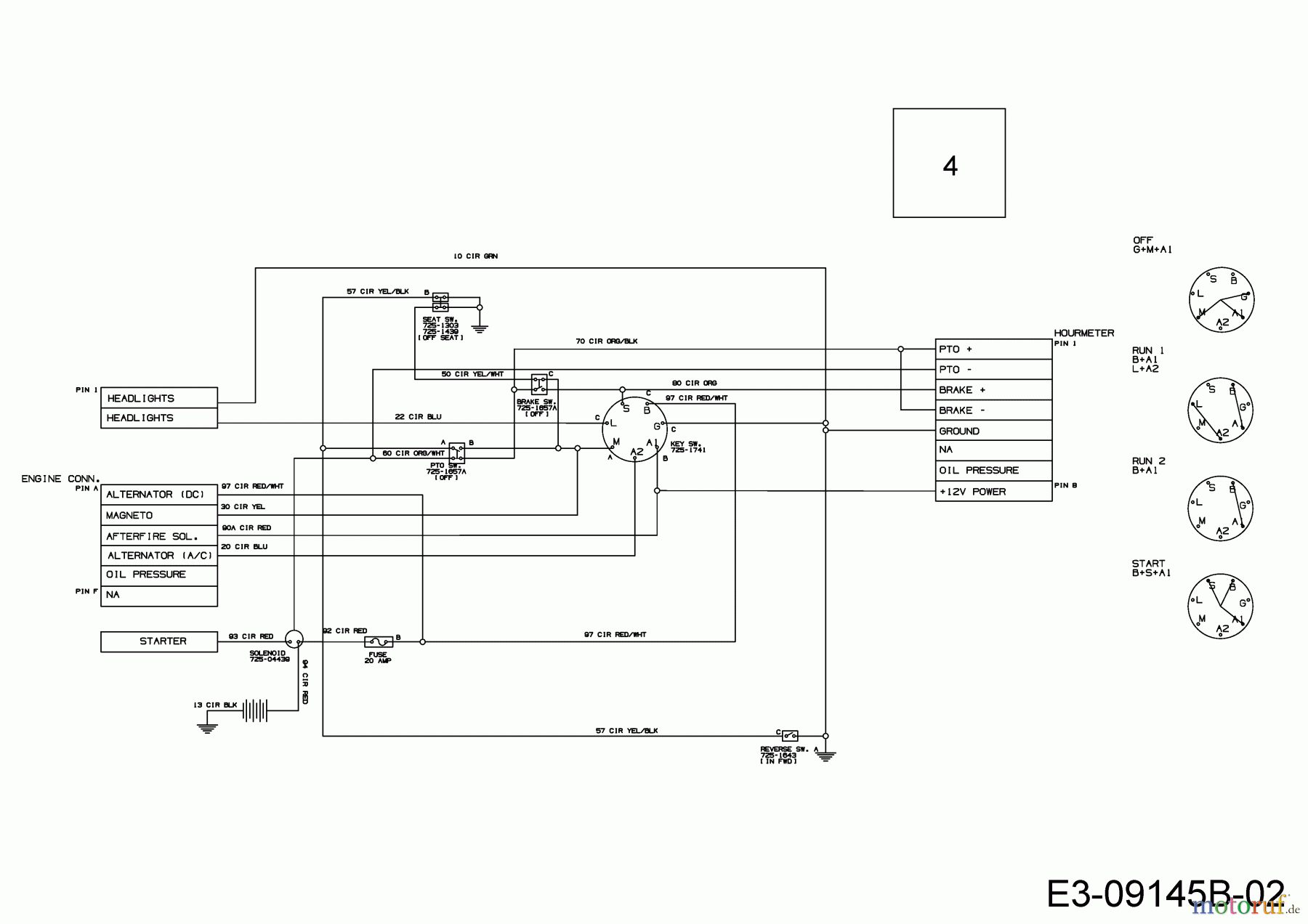
Schaltplan 13AD77KS309 (2018)

 Troy-Bilt Rasentraktoren Pony 42 13AD77KS309  (2018) Schaltplan

Hier finden Sie die Ersatzteilzeichnung für Troy-Bilt Rasentraktoren Pony 42 13AD77KS309 (2018) Schaltplan. Wählen Sie das benötigte Ersatzteil aus der Ersatzteilliste Ihres Troy-Bilt Gerätes aus und bestellen Sie einfach online. Viele Troy-Bilt Ersatzteile halten wir ständig in unserem Lager für Sie bereit.

BildNrArtikel NummerBezeichnung
4 725-05320BKABELBAUM:LT-5:B&S:HL:4NRMC:SM
Rasen
Bankeinzug, MasterCard, Visa, American Express, PayPal, Nachnahme, Vorauskasse, Sofortüberweisung
Qualitätsmanagement
Informieren Sie uns, wenn Sie einen Fehler gefunden haben.