Troy-Bilt Horse 20" 21A-682T766 (2018) Holm Ersatzteile
Holm 21A-682T766 (2018)

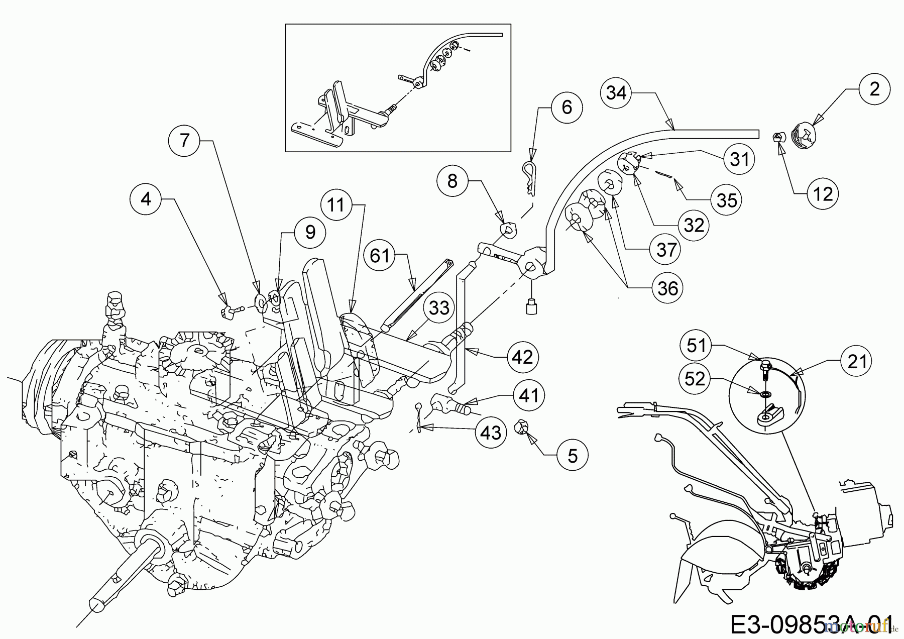
Hier finden Sie die Ersatzteilzeichnung für Troy-Bilt Motorhacken Horse 20" 21A-682T766 (2018) Holm. Wählen Sie das benötigte Ersatzteil aus der Ersatzteilliste Ihres Troy-Bilt Gerätes aus und bestellen Sie einfach online. Viele Troy-Bilt Ersatzteile halten wir ständig in unserem Lager für Sie bereit.


Qualitätsmanagement
Informieren Sie uns, wenn Sie einen Fehler gefunden haben.



