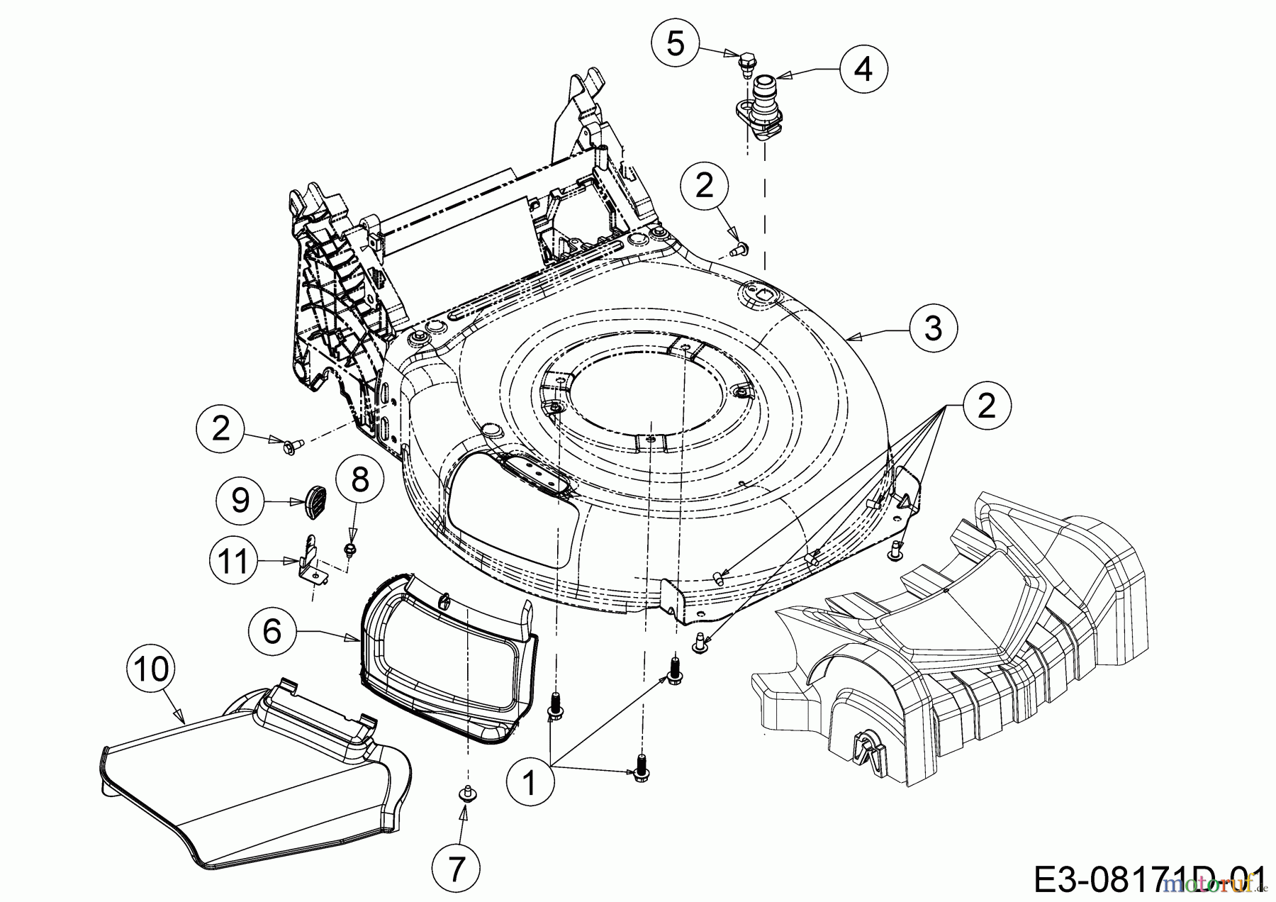
Cub Cadet LM2 CR46 12A-TS5C603 (2018) Deflektor, Mähwerksgehäuse, Mulchklappe, Waschdüse Ersatzteile
Deflektor, Mähwerksgehäuse, Mulchklappe, Waschdüse 12A-TS5C603 (2018)

Hier finden Sie die Ersatzteilzeichnung für Cub Cadet Motormäher mit Antrieb LM2 CR46 12A-TS5C603 (2018) Deflektor, Mähwerksgehäuse, Mulchklappe, Waschdüse. Wählen Sie das benötigte Ersatzteil aus der Ersatzteilliste Ihres Cub Cadet Gerätes aus und bestellen Sie einfach online. Viele Cub Cadet Ersatzteile halten wir ständig in unserem Lager für Sie bereit.










