Cub Cadet XT2 PR106IE 13BZA1CR603 (2018) Hauptschaltplan Ersatzteile
Hauptschaltplan 13BZA1CR603 (2018)

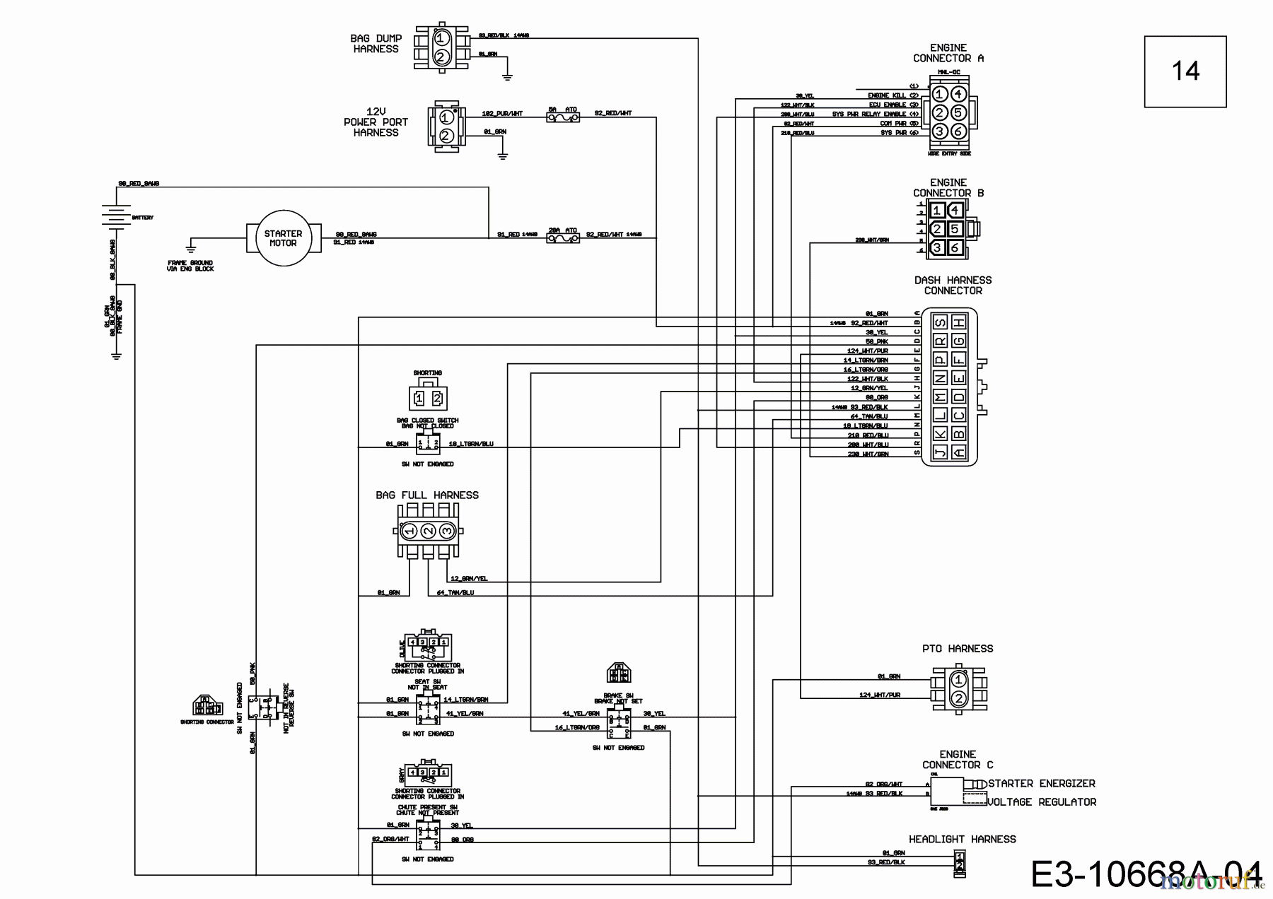
Hier finden Sie die Ersatzteilzeichnung für Cub Cadet Rasentraktoren XT2 PR106IE 13BZA1CR603 (2018) Hauptschaltplan. Wählen Sie das benötigte Ersatzteil aus der Ersatzteilliste Ihres Cub Cadet Gerätes aus und bestellen Sie einfach online. Viele Cub Cadet Ersatzteile halten wir ständig in unserem Lager für Sie bereit.
| BildNr | Artikel Nummer | Bezeichnung | |
| 14 | 725-07334A | HAUPTKABELBAUM:NX15:EPTO:PBS: | |



