MTD Smart G 46 MO 11E-70SJ600 (2018) Mulchklappe Ersatzteile
Mulchklappe 11E-70SJ600 (2018)

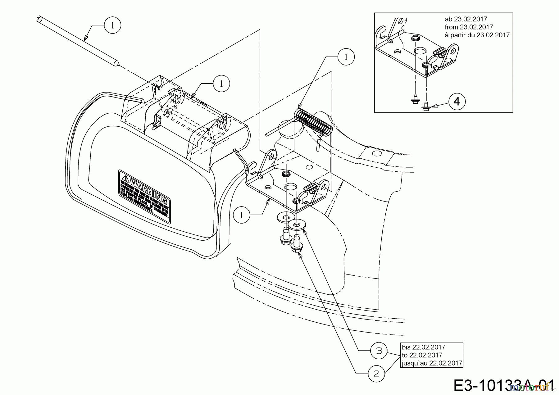
Hier finden Sie die Ersatzteilzeichnung für MTD Motormäher Smart G 46 MO 11E-70SJ600 (2018) Mulchklappe. Wählen Sie das benötigte Ersatzteil aus der Ersatzteilliste Ihres MTD Gerätes aus und bestellen Sie einfach online. Viele MTD Ersatzteile halten wir ständig in unserem Lager für Sie bereit.
| BildNr | Artikel Nummer | Bezeichnung | |
| 1 | 682-7002 | MULCHABDECKUNG VOLLST. | |
| 2 | ![]() | 710-0599 | 6KT-SCHRAUBE:TT:1/4-20:0.500 |
| 3 | ![]() | 736-0270 | TELLERSCHEIBE:.265x.750x.060 |
| 4 | ![]() | 710-05073 | SCHRAUBE MIT FLANSCH |


Qualitätsmanagement
Informieren Sie uns, wenn Sie einen Fehler gefunden haben.




