MTD Yard Machines 20" 11A-02M2360 (2018) Befestigungsteile Holm und Räder Ersatzteile
Befestigungsteile Holm und Räder 11A-02M2360 (2018)

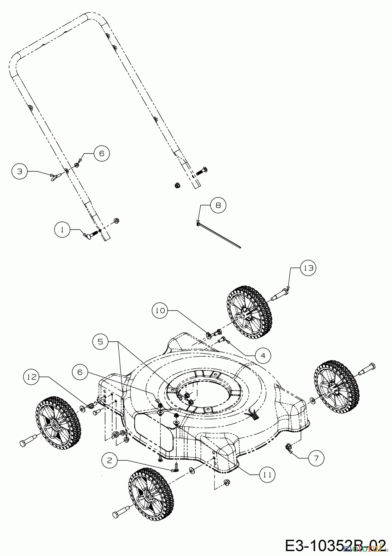
Hier finden Sie die Ersatzteilzeichnung für MTD Motormäher Yard Machines 20" 11A-02M2360 (2018) Befestigungsteile Holm und Räder. Wählen Sie das benötigte Ersatzteil aus der Ersatzteilliste Ihres MTD Gerätes aus und bestellen Sie einfach online. Viele MTD Ersatzteile halten wir ständig in unserem Lager für Sie bereit.


Qualitätsmanagement
Informieren Sie uns, wenn Sie einen Fehler gefunden haben.







