Wolf-Garten VA 346 E 16AFEHOAC50 (2017) Ersatzteile
16AFEHOAC50 (2017) VA 346 E

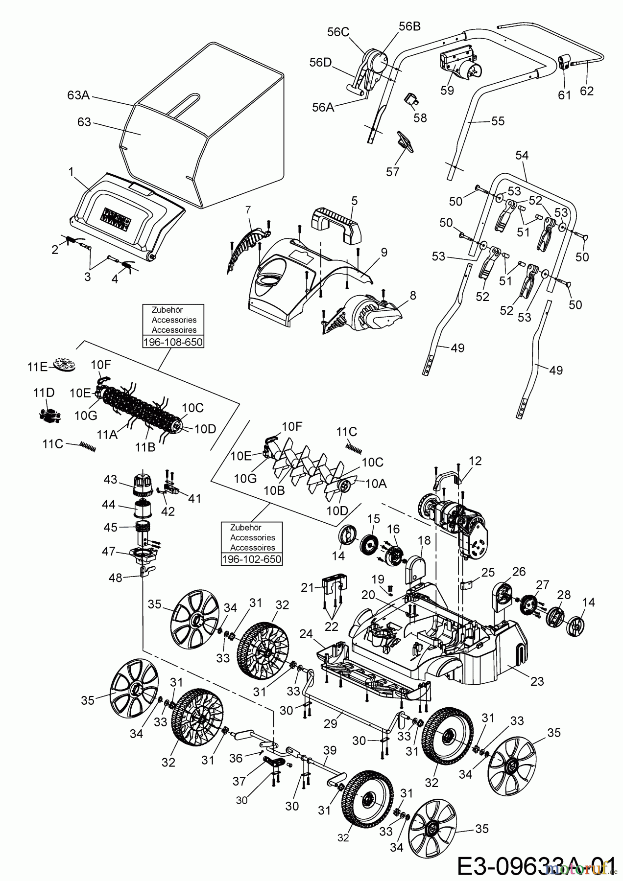
Hier finden Sie die Ersatzteilzeichnung für Wolf-Garten Elektrovertikutierer VA 346 E 16AFEHOAC50 (2017) Grundgerät. Wählen Sie das benötigte Ersatzteil aus der Ersatzteilliste Ihres Wolf-Garten Gerätes aus und bestellen Sie einfach online. Viele Wolf-Garten Ersatzteile halten wir ständig in unserem Lager für Sie bereit.












