Wolf-Garten AH 4200 H 12A-LV5B650 (2017) Getriebe, Keilriemen Ersatzteile
Getriebe, Keilriemen 12A-LV5B650 (2017)

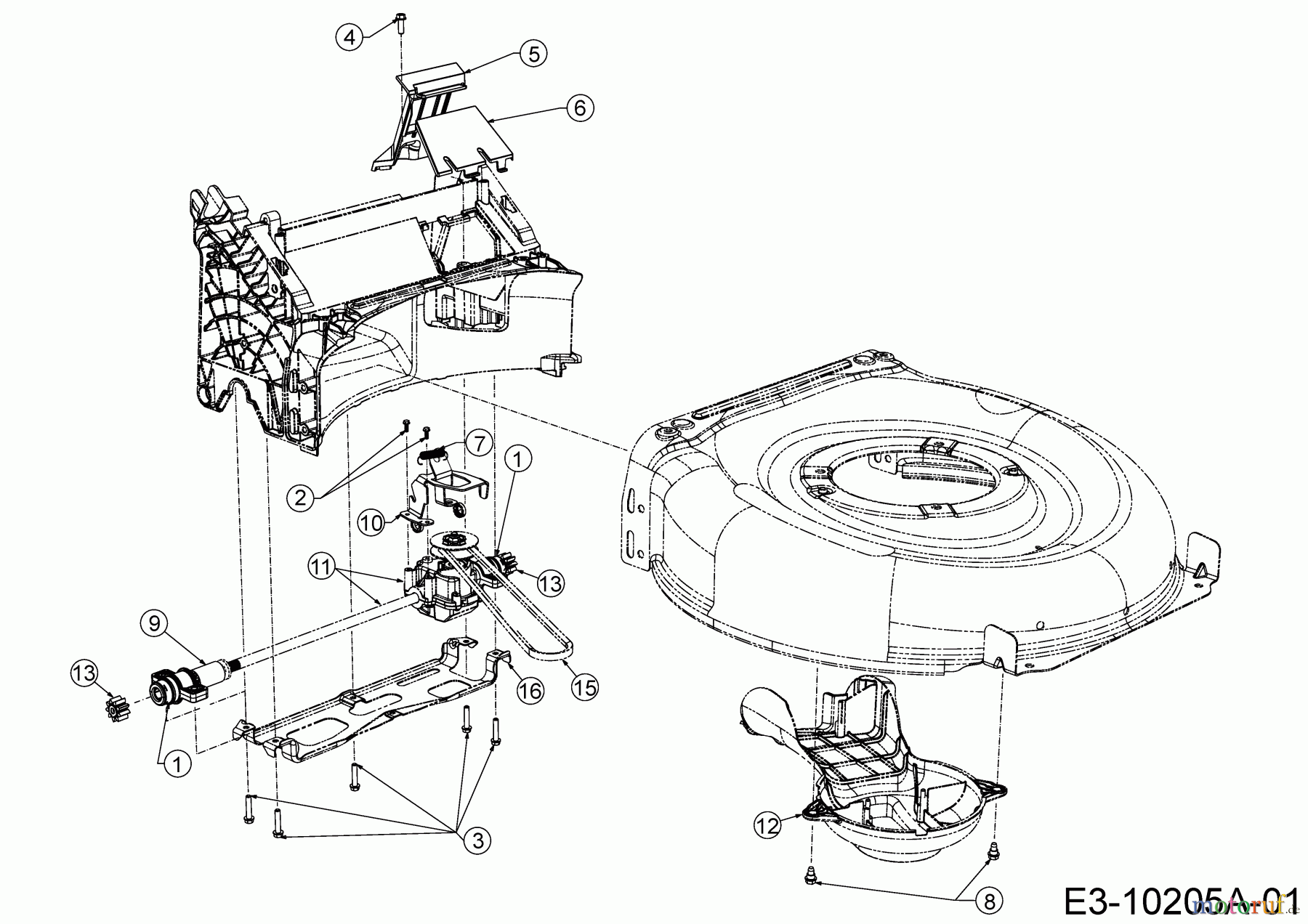
Hier finden Sie die Ersatzteilzeichnung für Wolf-Garten Motormäher mit Antrieb AH 4200 H 12A-LV5B650 (2017) Getriebe, Keilriemen. Wählen Sie das benötigte Ersatzteil aus der Ersatzteilliste Ihres Wolf-Garten Gerätes aus und bestellen Sie einfach online. Viele Wolf-Garten Ersatzteile halten wir ständig in unserem Lager für Sie bereit.


Qualitätsmanagement
Informieren Sie uns, wenn Sie einen Fehler gefunden haben.







