Einstellungen Computer

Wolf-Garten A 420 AVHW 12AQLV5B650 (2018) Getriebe, Keilriemen ab 05.01.2017 Ersatzteile

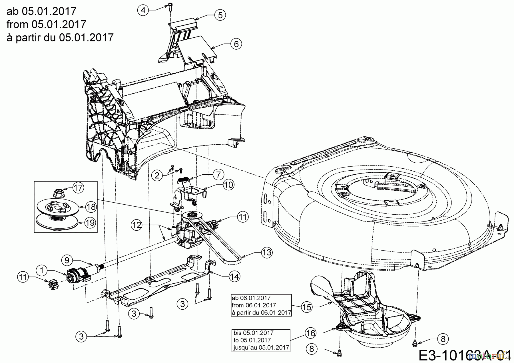
Getriebe, Keilriemen ab 05.01.2017 12AQLV5B650 (2018)

 Wolf-Garten Motormäher mit Antrieb A 420 AVHW 12AQLV5B650  (2018) Getriebe, Keilriemen ab 05.01.2017

Hier finden Sie die Ersatzteilzeichnung für Wolf-Garten Motormäher mit Antrieb A 420 AVHW 12AQLV5B650 (2018) Getriebe, Keilriemen ab 05.01.2017. Wählen Sie das benötigte Ersatzteil aus der Ersatzteilliste Ihres Wolf-Garten Gerätes aus und bestellen Sie einfach online. Viele Wolf-Garten Ersatzteile halten wir ständig in unserem Lager für Sie bereit.

Rasen
Bankeinzug, MasterCard, Visa, American Express, PayPal, Nachnahme, Vorauskasse, Sofortüberweisung
Datenschutzerklärung Impressum
Qualitätsmanagement
Informieren Sie uns, wenn Sie einen Fehler gefunden haben.