Einstellungen Computer

Dolmar TM-102.17 H TM-102.17 H (2004) 6 MOTOR Ersatzteile

6 MOTOR TM-102.17 H (2004)

 Dolmar Rasentraktoren TM-102.17 H TM-102.17 H (2004) 6  MOTOR

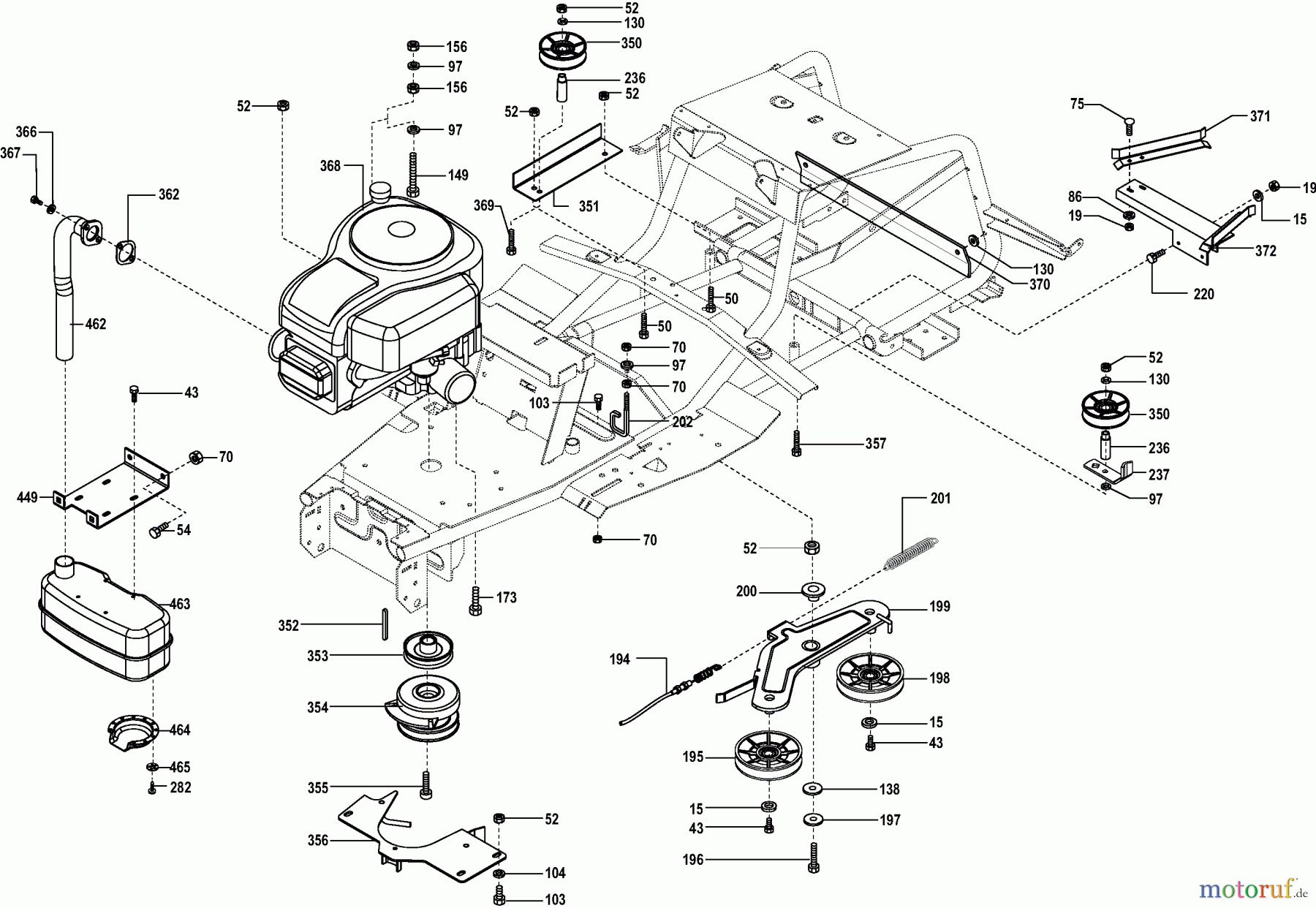
Hier finden Sie die Ersatzteilzeichnung für Dolmar Rasentraktoren TM-102.17 H TM-102.17 H (2004) 6 MOTOR. Wählen Sie das benötigte Ersatzteil aus der Ersatzteilliste Ihres Dolmar Gerätes aus und bestellen Sie einfach online. Viele Dolmar Ersatzteile halten wir ständig in unserem Lager für Sie bereit.

BildNrArtikel NummerBezeichnung
15 924806400SCHEIBE A 6.4
19 Dolmar SECHSKANTMUTTER M6920406000SECHSKANTMUTTER M6
43 663523134SCHRAUBE M6X12
50 663701011SECHSKANTSCHRAUBE M8X50
52 6637001216 KANT-MUTTER M8
54 663700545SECHSKANTSCHRAUBE M8X16
70 663348988MUTTER, MITTELGESICHERT M8
75 663700799FLACHRUNDSCHRAUBE M6X16
86 663700137SCHEIBE 6.4
97 663700201FÄCHERSCHEIBE A8.4
103 9002082046KT-SCHRAUBE M8X20
104 663700150SCHEIBE 8.4
130 663700138SCHEIBE A 8.4
138 663700656TELLERFEDER 28X10.2X1.25
149 663500207SECHSKANTSCHRAUBE M8X45
156 663500073SICHERUNGSMUTTER M8
173 9002083546KT-SCHRAUBE M8X35
194 663514070SCHALTBOWDENZUG KUPPLUNG 78 CM
195 663514716SPANNROLLE IN. M. LAGER
196 900208304SECHSKANTSCHRAUBE M8X30
197 663701083SCHEIBE
198 663514717SPANNROLLE AUß. M. LAGER
199 663109630SPANNROLLENWIPPE Ã?16
200 663480430DISTANZBUCHSE WIPPE
201 663522087ZUGFEDER
202 663514398ÖSE
220 663700573FLACHRUNDSCHRAUBE M6X20
236 663421630ZENTRIERHÜLSE
237 663514394RIEMENFÜHRUNG
282 663701138LINSENKOPFSCHRAUBE 4.2X13
350 663521391UMLENKROLLE + LAGER
351 663514957FÜHRUNGSBLECH 5-GANG 102CM
352 663514943PASSFEDER 1/4"X1/4"X1"
353 663485730ANTRIEBSSEGMENT
354 663514876MESSERBREMSKUPPLUNG 102CM
355 663514944SCHRAUBE UNF 7/16"X3"
356 663494830RIEMENFÜHRUNG
357 663702477SECHSKANTSCHRAUBE M8X80
362 663514987FLANSCHDICHTUNG B&S 272293
366 663702756SICHERUNGSSCHEIBE SCHNORR S8
367 663461209INNEN-6KT-SCHRAUBE UNC 5/16"X3/4"
368 -MOTOR BRIGGS&STRATTON
369 663701521SECHSKANTSCHRAUBE M8X40
370 663521195RIEMENFÜHRUNG HYDRO 102
371 663127201RIEMENFüHRUNGSBLECH RECHTS RAL9005
372 663495001RIEMENFÜHRUNG HYDRO 102 RAL9005
449 663521469AUSPUFFHALTEBLECH
462 663521726AUSPUFFKRÜMMER
463 663521732AUSPUFF
464 663521733DEFLECTOR B&S
465 663700959SCHEIBE 4,3 6798
Rasen
Bankeinzug, MasterCard, Visa, American Express, PayPal, Nachnahme, Vorauskasse, Sofortüberweisung
Datenschutzerklärung Impressum
Qualitätsmanagement
Informieren Sie uns, wenn Sie einen Fehler gefunden haben.