Dolmar TM-102.13 TM-102.13 (2005) 5 MOTOR Ersatzteile
5 MOTOR TM-102.13 (2005)

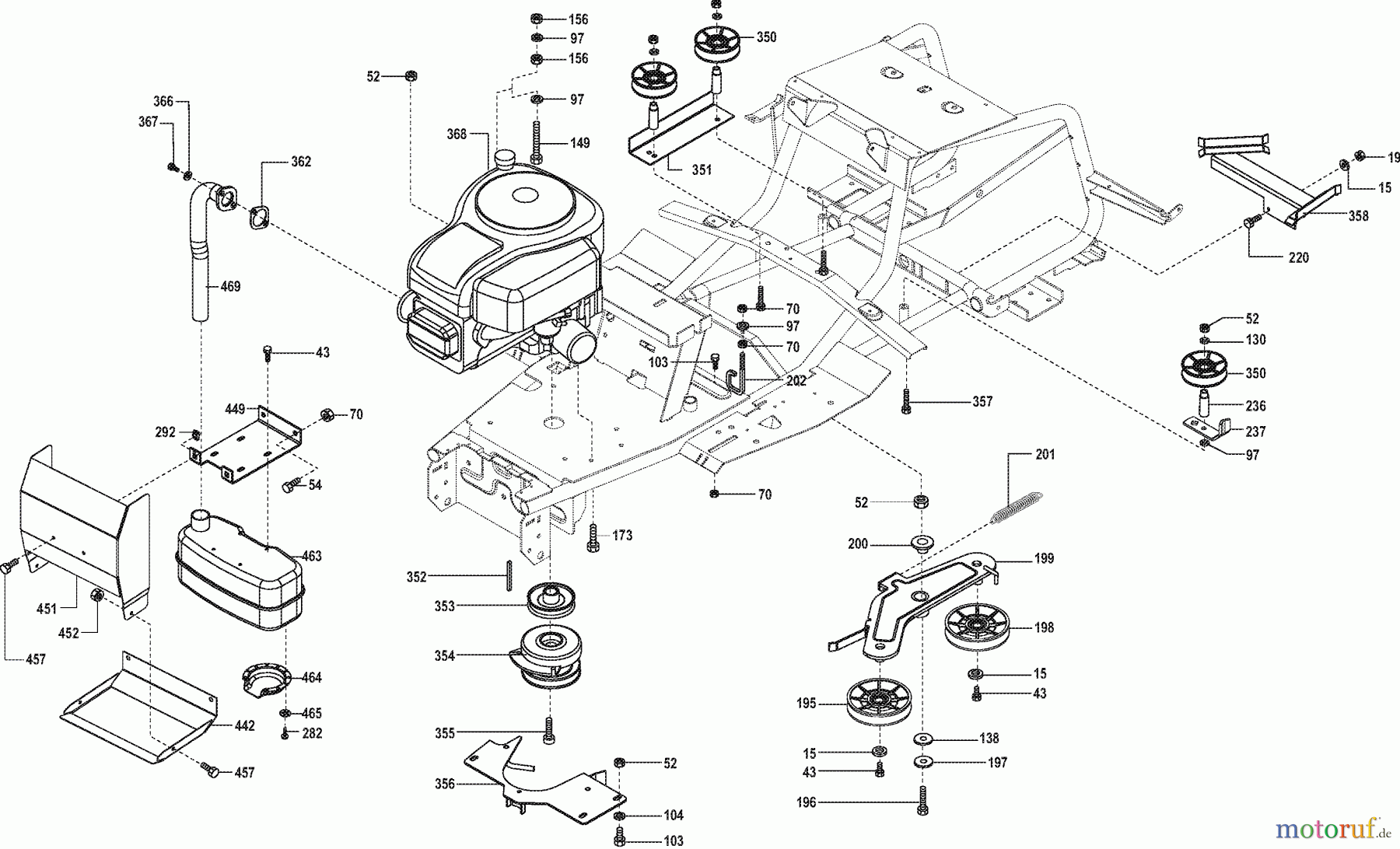
Hier finden Sie die Ersatzteilzeichnung für Dolmar Rasentraktoren TM-102.13 TM-102.13 (2005) 5 MOTOR. Wählen Sie das benötigte Ersatzteil aus der Ersatzteilliste Ihres Dolmar Gerätes aus und bestellen Sie einfach online. Viele Dolmar Ersatzteile halten wir ständig in unserem Lager für Sie bereit.




