Dolmar Benzin PM-4860 S PM-4860 S (2008-2010) 11 PM-4860 S Ersatzteile
11 PM-4860 S PM-4860 S (2008-2010)

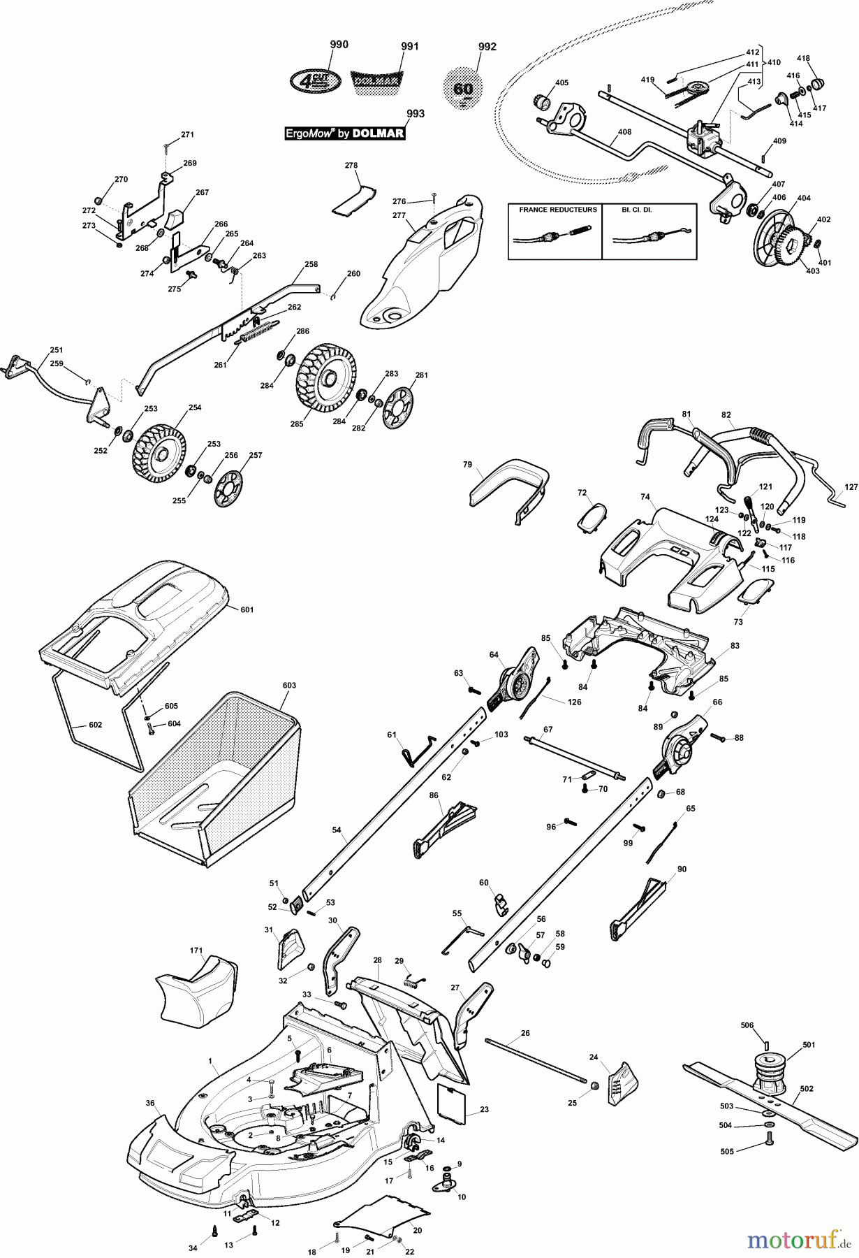
Hier finden Sie die Ersatzteilzeichnung für Dolmar Rasenmäher Benzin PM-4860 S PM-4860 S (2008-2010) 11 PM-4860 S. Wählen Sie das benötigte Ersatzteil aus der Ersatzteilliste Ihres Dolmar Gerätes aus und bestellen Sie einfach online. Viele Dolmar Ersatzteile halten wir ständig in unserem Lager für Sie bereit.
Häufig benötigte Dolmar Benzin PM-4860 S PM-4860 S (2008-2010) 11 PM-4860 S Ersatzteile

Artikelnummer: DR664122200
Suche nach: 664122200
Hersteller: Dolmar
Dolmar Ersatzteil 11 PM-4860 S
Suche nach: 664122200
Hersteller: Dolmar
Dolmar Ersatzteil 11 PM-4860 S
5.10 €
für EU incl. MwSt., zzgl. Versand


Qualitätsmanagement
Informieren Sie uns, wenn Sie einen Fehler gefunden haben.














