Dolmar Benzin PM-4040 PM-4040 (2001) 4 PM-4040 Ersatzteile
4 PM-4040 PM-4040 (2001)

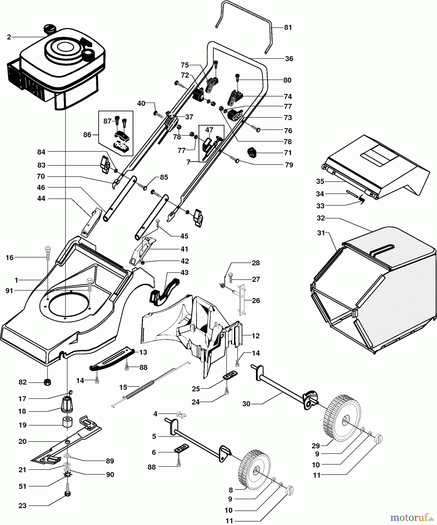
Hier finden Sie die Ersatzteilzeichnung für Dolmar Rasenmäher Benzin PM-4040 PM-4040 (2001) 4 PM-4040. Wählen Sie das benötigte Ersatzteil aus der Ersatzteilliste Ihres Dolmar Gerätes aus und bestellen Sie einfach online. Viele Dolmar Ersatzteile halten wir ständig in unserem Lager für Sie bereit.


Qualitätsmanagement
Informieren Sie uns, wenn Sie einen Fehler gefunden haben.


