Dolmar Benzin 2-Takt MS24U 2 Hauptrohr, Griff, Schutzhaube, Getriebegehäuse, Zubehör Ersatzteile
2 Hauptrohr, Griff, Schutzhaube, Getriebegehäuse, Zubehör MS24U

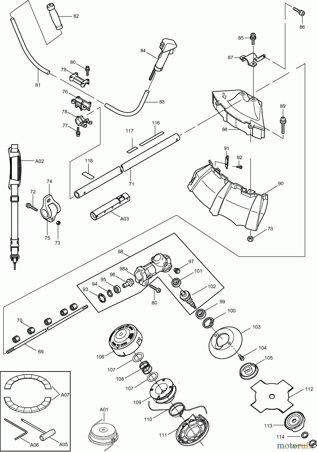
Hier finden Sie die Ersatzteilzeichnung für Dolmar Motorsensen & Trimmer Benzin 2-Takt MS24U 2 Hauptrohr, Griff, Schutzhaube, Getriebegehäuse, Zubehör. Wählen Sie das benötigte Ersatzteil aus der Ersatzteilliste Ihres Dolmar Gerätes aus und bestellen Sie einfach online. Viele Dolmar Ersatzteile halten wir ständig in unserem Lager für Sie bereit.




