Einstellungen Computer

Toro 30900 - 21cc Gas Trimmer, 1980 (0000001-0999999) ENGINE ASSEMBLY Ersatzteile

ENGINE ASSEMBLY 30900 - Toro 21cc Gas Trimmer, 1980 (0000001-0999999)

 Toro Neu Trimmers, String/Brush 30900 - Toro 21cc Gas Trimmer, 1980 (0000001-0999999) ENGINE ASSEMBLY

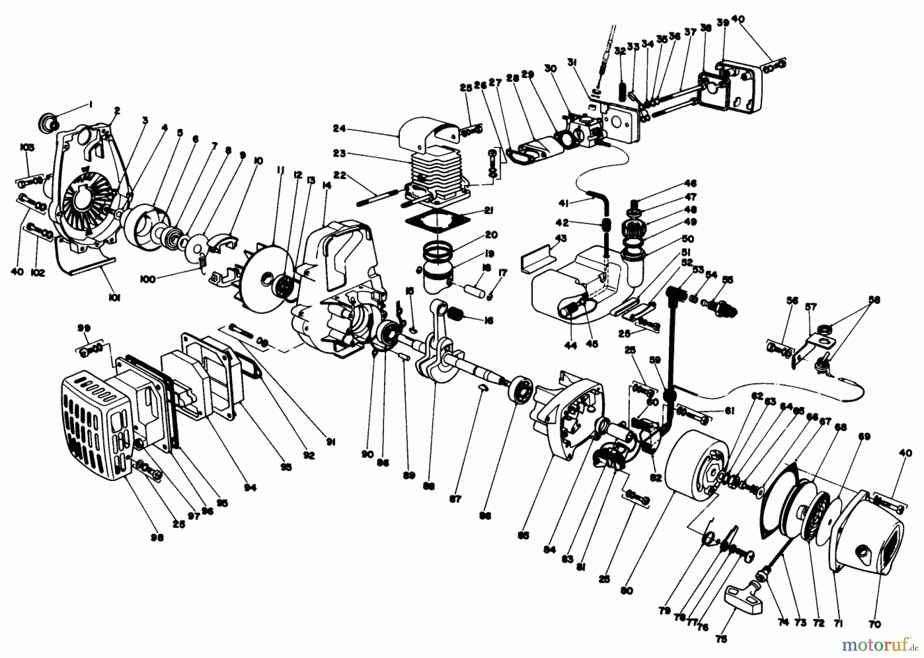
Hier finden Sie die Ersatzteilzeichnung für Toro Neu Trimmers, String/Brush 30900 - Toro 21cc Gas Trimmer, 1980 (0000001-0999999) ENGINE ASSEMBLY. Wählen Sie das benötigte Ersatzteil aus der Ersatzteilliste Ihres Toro Gerätes aus und bestellen Sie einfach online. Viele Toro Ersatzteile halten wir ständig in unserem Lager für Sie bereit.

BildNrArtikel NummerBezeichnung
1 TR41-2540DISCONTINUED
2 TR41-0580DISCONTINUED
3 TR41-4970DISCONTINUED
4 TR41-2740DISCONTINUED
5 TR41-2720DISCONTINUED
6 TR41-2810DISCONTINUED
7 TR41-5640DISCONTINUED
8 TR41-6900
9 TR41-2800DISCONTINUED
10 TR41-2710KUPPLUNGSKLAUE
11 TR41-0560DISCONTINUED
12 TR41-0280DISCONTINUED
13 TR41-5580DISCONTINUED
14 TR41-0260DISCONTINUED
15 TR41-4490DISCONTINUED
16 TR41-2730NADELLAGER
17 TR41-0160SPRENGRING (100015-0463 0
18 TR41-013046-3830
19 TR41-0040DISCONTINUED
20 TR41-0070DISCONTINUED
21 TR41-0490DICHTUNG
22 TR41-0550STEHBOLZEN
23 TR41-0520ZYLINDER
24 TR41-0620DISCONTINUED
25 TR41-5160SCHRAUBE (900242-0401 0)
26 TR41-5230DISCONTINUE
27 TR41-1210DICHTUNG
28 TR41-1290DISCONTINUED
29 TR41-1260DISCONTINUED
30 TR41-0690DISCONTINUED
31 TR41-1400DISCONTINUED
32 TR41-3660DISCONTINUED
33 TR41-3600DROSSELKLAPPE
34 TR41-3620DISCONTINUED
35 TR41-5440DISCONTINUED
36 TR41-549071-1150
37 TR41-1330DISCONTINUED
38 TR41-1440LUFTFILTER(130313-0502 0)
39 TR41-1480DISCONTINUED
40 TR41-5170DISCONTINUED
41 TR41-1830DISCONTINUED
42 TR41-1880DISCONTINUED
43 TR41-1760TANKUNTERLAGE
44 TR41-166043-9660
45 TR41-5450UNTERLEGSCHEIBE
46 TR41-1700FILTER
47 TR41-169043-9940
48 TR41-162043-9940
49 TR41-1600DISCONTINUED
50 TR41-1580BENZINTANK
51 TR41-1780DISCONTINUED
52 TR41-1730DISCONTINUED
53 TR41-2520DISCONTINUED
54 TR41-2510DISCONTINUED
55 TR41-2500
56 TR41-5190SCHRAUBE
57 TR41-2660DISCONTINUED
58 TR41-2650SCHALTER
59 TR41-2410DISCONTINUED
60 TR41-2480DISCONTINUED
61 TR41-5180DISCONTINUED
62 TR41-6170DISCONTINUED
63 TR41-5510DISCONTINUED
64 TR41-5390MUTTER
65 TR41-5160SCHRAUBE (900242-0401 0)
66 TR41-2920UNTERLEGSCHEIBE
67 TR41-0440DICHTUNG
68 TR41-2850SEILSCHEIBE
69 TR41-3020DISCONTINUED
70 TR41-5770DISCONTINUED
71 TR41-2870DISCONTINUED
72 TR41-3000STARTERFEDER 177220-03930
73 TR41-3040STARTERSEIL
74 TR41-3060SEILFUEHRUNG
75 TR41-3080STARTERGRIFF
76 TR41-2960DISCONTINUED
77 TR41-3240DISCONTINUED
78 TR41-2980RASTE
79 TR41-3150FEDER
80 TR41-2490SCHWUNGRAD
81 TR41-2440DISCONTINUED
82 TR41-2450ZUENDSPULE
83 TR41-2460KONDENSATOR
84 TR41-0290WELLENDICHTUNG
85 TR
86 TR41-5670DISCONTINUED
87 TR41-6160DISCONTINUED
88 TR41-0190DISCONTINUED
89 TR41-0330DISCONTINUED
90 TR41-0350DICHTUNG
91 TR41-5260DISCONTINUED
92 TR41-1930DISCONTINUED
93 TR41-2130DISCONTINUED
94 TR41-2140DISCONTINUED
95 TR41-1610DISCONTINUED
96 TR41-2160DISCONTINUED
97 TR41-4250DISCONTINUED
98 TR41-2020DISCONTINUED
99 TR41-5000DISCONTINUED
100 TR41-2790FEDER
101 TR41-4080DISCONTINUED
102 TR41-5210SCHRAUBE
103 TR41-5240DISCONTINUED
TR41-2840DISCONTINUED
TR41-154043-9940
TR41-1980AUSPUFF
TR41-5750
TR41-6810DISCONTINUED
TR41-9310DISCONTINUED
TR41-9280DISCONTINUED
TR41-9290DISCONTINUED
TR41-5010DISCONTINUED
Rasen
Bankeinzug, MasterCard, Visa, American Express, PayPal, Nachnahme, Vorauskasse, Sofortüberweisung
Datenschutzerklärung Impressum
Qualitätsmanagement
Informieren Sie uns, wenn Sie einen Fehler gefunden haben.