Toro 58070 - 26" Tiller, 1983 (3000001-3999999) ENGINE BRIGGS & STRATTON MODEL 130292-1671-02 #2 Ersatzteile
ENGINE BRIGGS & STRATTON MODEL 130292-1671-02 #2 58070 - Toro 26" Tiller, 1983 (3000001-3999999)

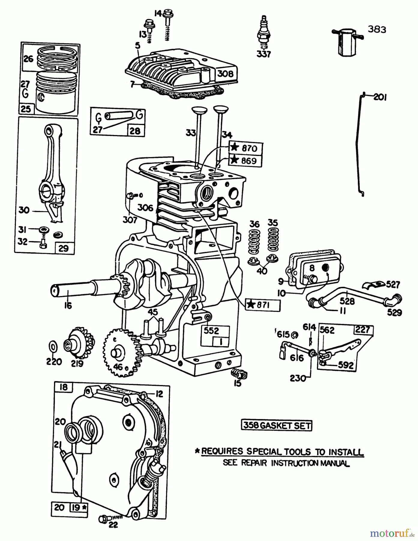
Hier finden Sie die Ersatzteilzeichnung für Toro Neu Tillers/Cultivators 58070 - Toro 26" Tiller, 1983 (3000001-3999999) ENGINE BRIGGS & STRATTON MODEL 130292-1671-02 #2. Wählen Sie das benötigte Ersatzteil aus der Ersatzteilliste Ihres Toro Gerätes aus und bestellen Sie einfach online. Viele Toro Ersatzteile halten wir ständig in unserem Lager für Sie bereit.



