Toro 86-48SX01 - 48" Snowthrower, 1978 SNOWTHROWER-42 IN. (107 CM)(VEHICLE IDENTIFICATION NUMBER 86-42ST01) #1 Ersatzteile
SNOWTHROWER-42 IN. (107 CM)(VEHICLE IDENTIFICATION NUMBER 86-42ST01) #1 86-48SX01 - Toro 48" Snowthrower, 1978

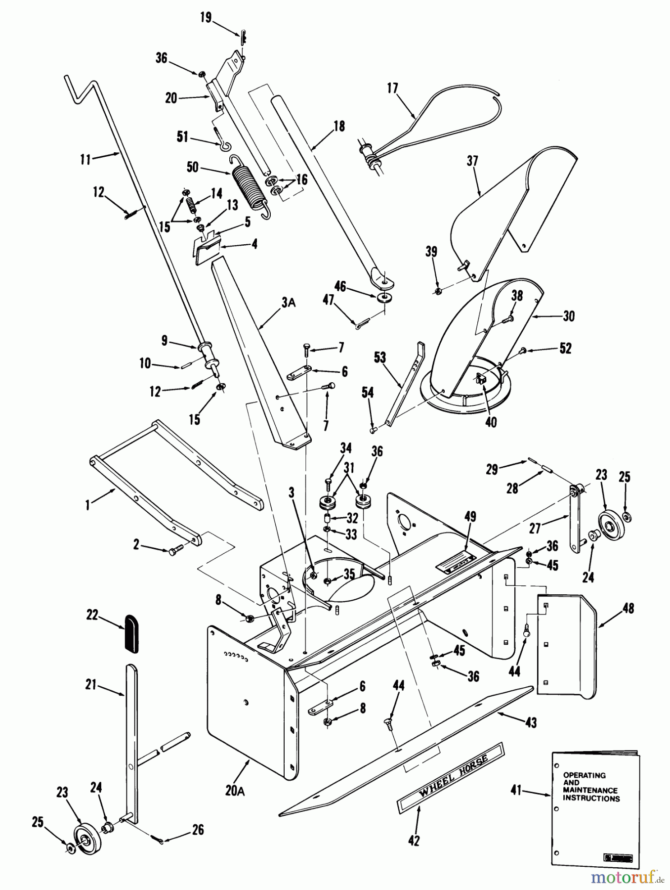
Hier finden Sie die Ersatzteilzeichnung für Toro Neu Snow Blowers/Snow Throwers Seite 2 86-48SX01 - Toro 48" Snowthrower, 1978 SNOWTHROWER-42 IN. (107 CM)(VEHICLE IDENTIFICATION NUMBER 86-42ST01) #1. Wählen Sie das benötigte Ersatzteil aus der Ersatzteilliste Ihres Toro Gerätes aus und bestellen Sie einfach online. Viele Toro Ersatzteile halten wir ständig in unserem Lager für Sie bereit.



