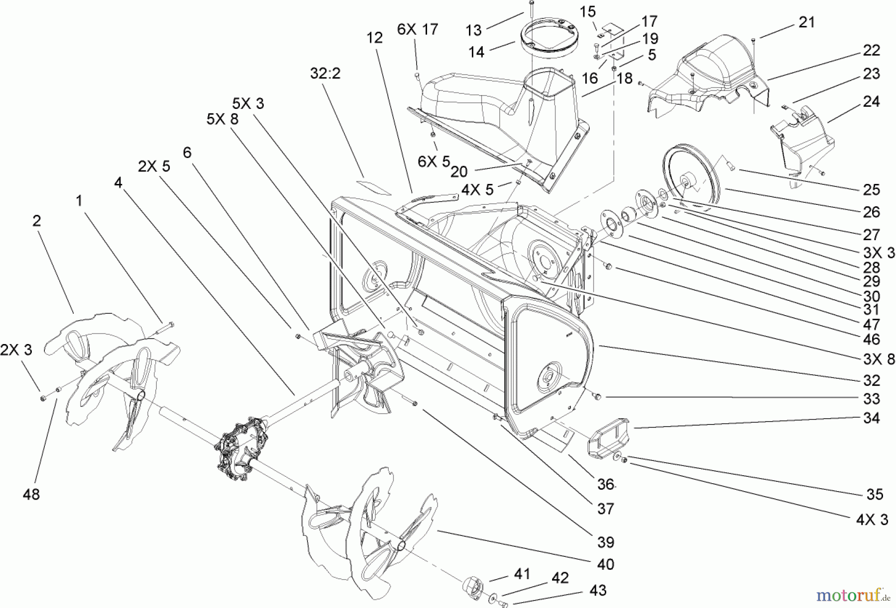
Toro 38640 (1028 LXE) - Power Max 1028 LXE Snowthrower, 2007 (270000001-270999999) AUGER AND HOUSING ASSEMBLY Ersatzteile
AUGER AND HOUSING ASSEMBLY 38640 (1028 LXE) - Toro Power Max 1028 LXE Snowthrower, 2007 (270000001-270999999)

Hier finden Sie die Ersatzteilzeichnung für Toro Neu Snow Blowers/Snow Throwers Seite 2 38640 (1028 LXE) - Toro Power Max 1028 LXE Snowthrower, 2007 (270000001-270999999) AUGER AND HOUSING ASSEMBLY. Wählen Sie das benötigte Ersatzteil aus der Ersatzteilliste Ihres Toro Gerätes aus und bestellen Sie einfach online. Viele Toro Ersatzteile halten wir ständig in unserem Lager für Sie bereit.









