Einstellungen Computer

Toro 38635 (828 LE) - Power Max 828 LE Snowthrower, 2005 (250000001-250999999) AUGER AND HOUSING ASSEMBLY Ersatzteile

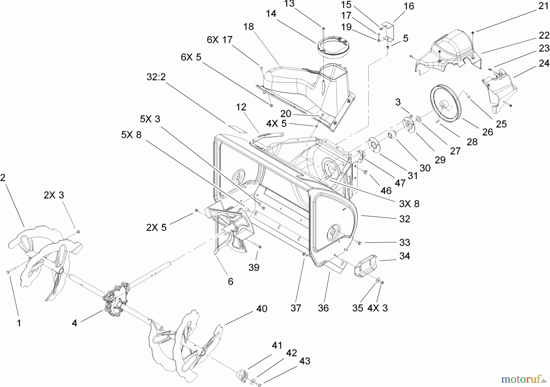
AUGER AND HOUSING ASSEMBLY 38635 (828 LE) - Toro Power Max 828 LE Snowthrower, 2005 (250000001-250999999)

 Toro Neu Snow Blowers/Snow Throwers Seite 2 38635 (828 LE) - Toro Power Max 828 LE Snowthrower, 2005 (250000001-250999999) AUGER AND HOUSING ASSEMBLY

Hier finden Sie die Ersatzteilzeichnung für Toro Neu Snow Blowers/Snow Throwers Seite 2 38635 (828 LE) - Toro Power Max 828 LE Snowthrower, 2005 (250000001-250999999) AUGER AND HOUSING ASSEMBLY. Wählen Sie das benötigte Ersatzteil aus der Ersatzteilliste Ihres Toro Gerätes aus und bestellen Sie einfach online. Viele Toro Ersatzteile halten wir ständig in unserem Lager für Sie bereit.

Rasen
Bankeinzug, MasterCard, Visa, American Express, PayPal, Nachnahme, Vorauskasse, Sofortüberweisung
Datenschutzerklärung Impressum
Qualitätsmanagement
Informieren Sie uns, wenn Sie einen Fehler gefunden haben.