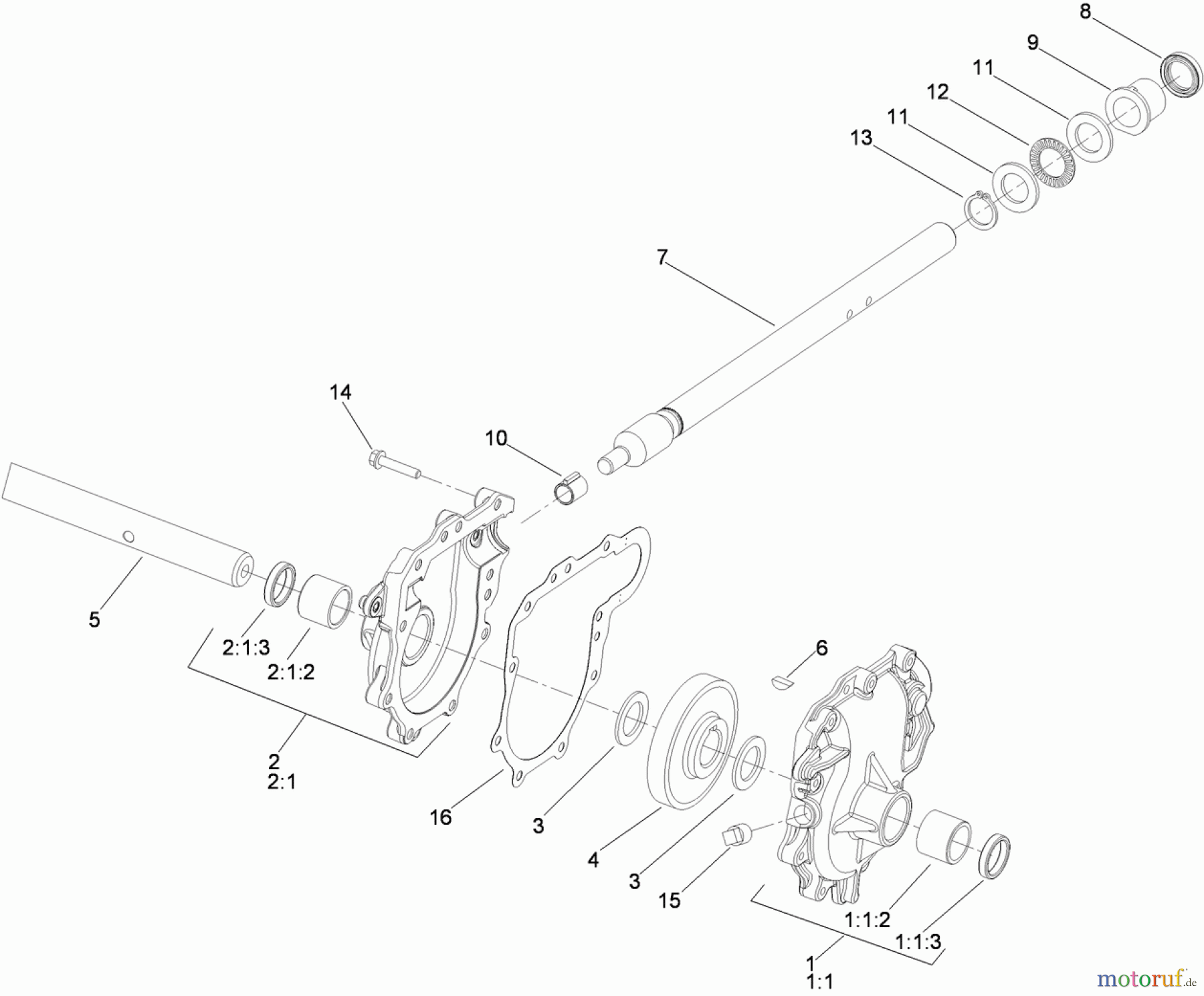
Toro 38597 (826 O) - Power Max 826 O Snowthrower, 2013 (SN 313000001-313999999) 26 INCH AUGER GEARCASE ASSEMBLY NO. 108-7328 Ersatzteile
26 INCH AUGER GEARCASE ASSEMBLY NO. 108-7328 38597 (826 O) - Toro Power Max 826 O Snowthrower, 2013 (SN 313000001-313999999)

Hier finden Sie die Ersatzteilzeichnung für Toro Neu Snow Blowers/Snow Throwers Seite 1 38597 (826 O) - Toro Power Max 826 O Snowthrower, 2013 (SN 313000001-313999999) 26 INCH AUGER GEARCASE ASSEMBLY NO. 108-7328. Wählen Sie das benötigte Ersatzteil aus der Ersatzteilliste Ihres Toro Gerätes aus und bestellen Sie einfach online. Viele Toro Ersatzteile halten wir ständig in unserem Lager für Sie bereit.


Qualitätsmanagement
Informieren Sie uns, wenn Sie einen Fehler gefunden haben.


