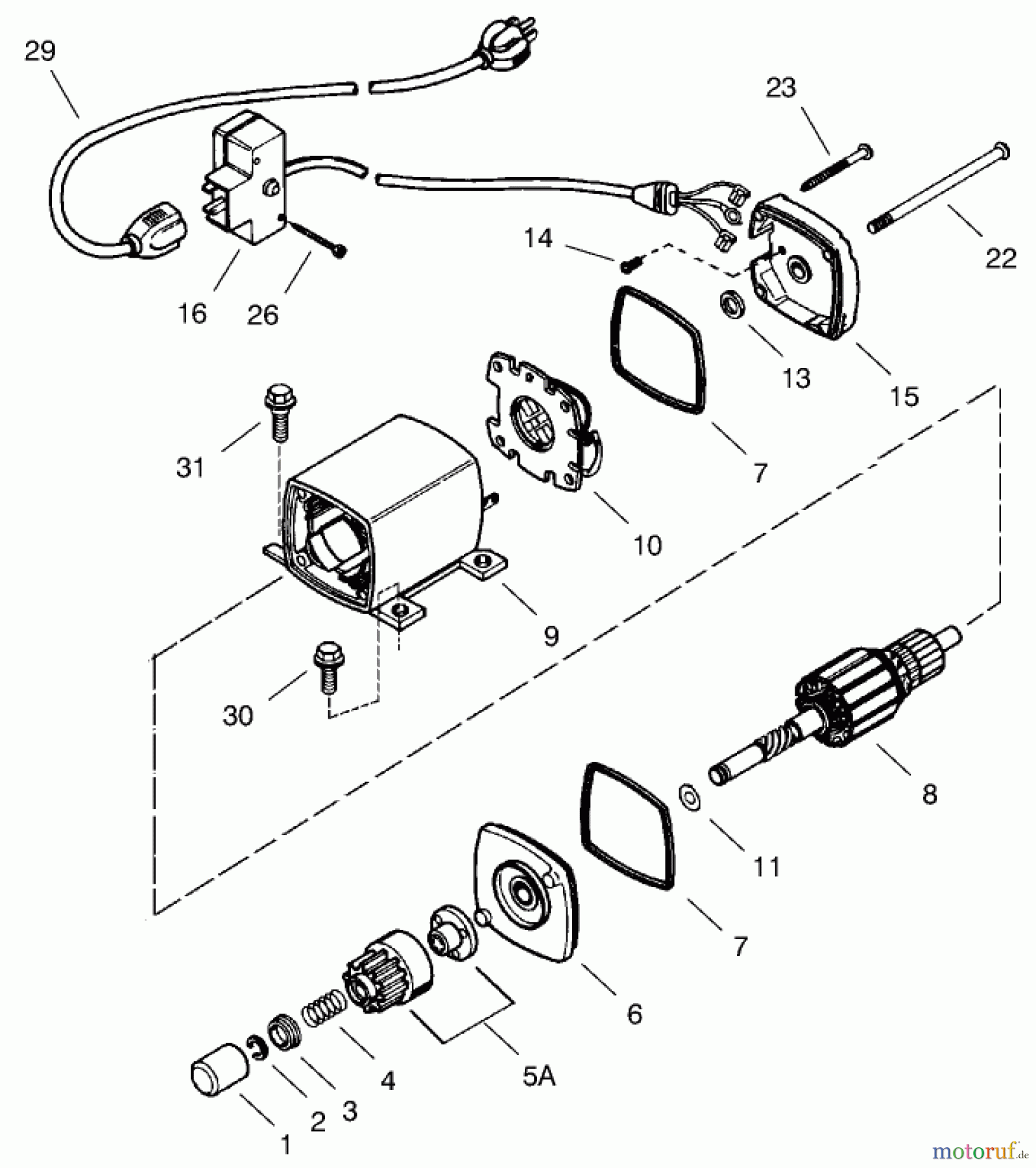
Toro 38560 (1028) - 1028 Power Shift Snowthrower, 2000 (200000001-200999999) ELECTRIC STARTER NO. 33329E (OPTIONAL ON: 38559) Ersatzteile
ELECTRIC STARTER NO. 33329E (OPTIONAL ON: 38559) 38560 (1028) - Toro 1028 Power Shift Snowthrower, 2000 (200000001-200999999)

Hier finden Sie die Ersatzteilzeichnung für Toro Neu Snow Blowers/Snow Throwers Seite 1 38560 (1028) - Toro 1028 Power Shift Snowthrower, 2000 (200000001-200999999) ELECTRIC STARTER NO. 33329E (OPTIONAL ON: 38559). Wählen Sie das benötigte Ersatzteil aus der Ersatzteilliste Ihres Toro Gerätes aus und bestellen Sie einfach online. Viele Toro Ersatzteile halten wir ständig in unserem Lager für Sie bereit.


Qualitätsmanagement
Informieren Sie uns, wenn Sie einen Fehler gefunden haben.

