Einstellungen Computer

Toro 38505 (624) - 624 Power Shift Snowthrower, 1991 (1000001-1999999) HOUSING & CHUTE ASSEMBLY Ersatzteile

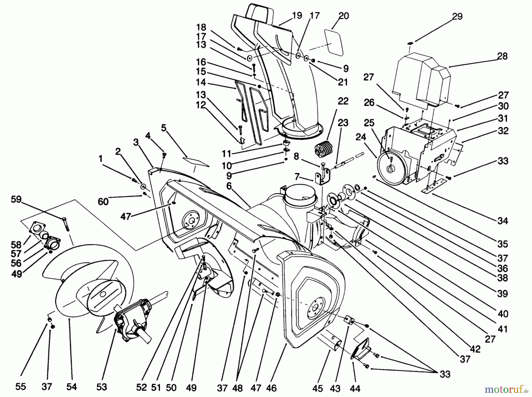
HOUSING & CHUTE ASSEMBLY 38505 (624) - Toro 624 Power Shift Snowthrower, 1991 (1000001-1999999)

 Toro Neu Snow Blowers/Snow Throwers Seite 1 38505 (624) - Toro 624 Power Shift Snowthrower, 1991 (1000001-1999999) HOUSING & CHUTE ASSEMBLY

Hier finden Sie die Ersatzteilzeichnung für Toro Neu Snow Blowers/Snow Throwers Seite 1 38505 (624) - Toro 624 Power Shift Snowthrower, 1991 (1000001-1999999) HOUSING & CHUTE ASSEMBLY. Wählen Sie das benötigte Ersatzteil aus der Ersatzteilliste Ihres Toro Gerätes aus und bestellen Sie einfach online. Viele Toro Ersatzteile halten wir ständig in unserem Lager für Sie bereit.

Rasen
Bankeinzug, MasterCard, Visa, American Express, PayPal, Nachnahme, Vorauskasse, Sofortüberweisung
Datenschutzerklärung Impressum
Qualitätsmanagement
Informieren Sie uns, wenn Sie einen Fehler gefunden haben.