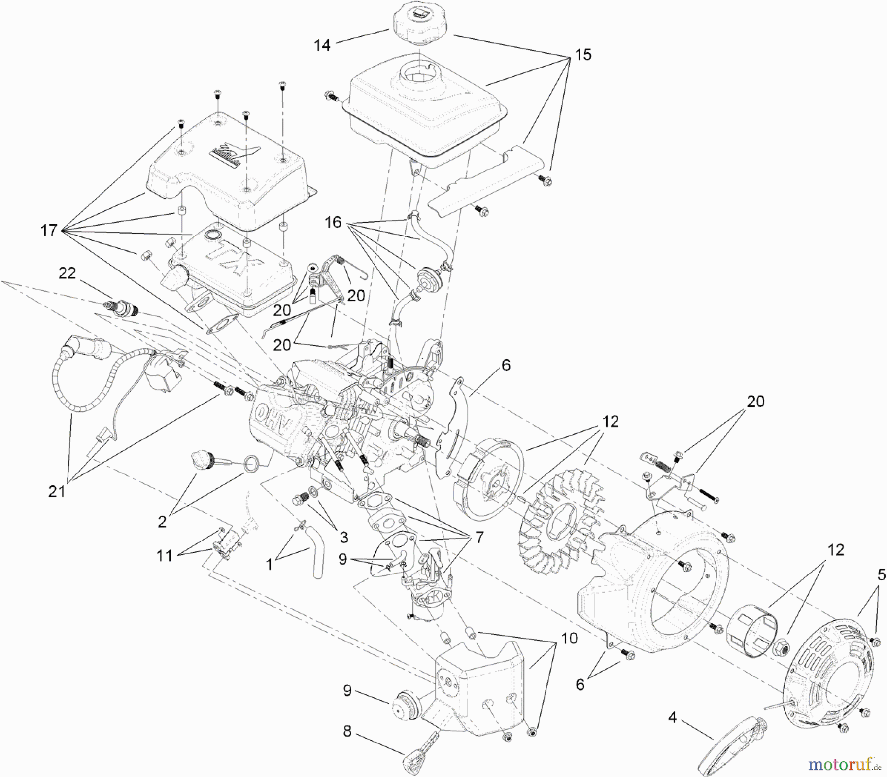
Toro 38273 - Powerlite Snowthrower, 2012 (312000001-312999999) ENGINE ASSEMBLY NO. 119-1974 Ersatzteile
ENGINE ASSEMBLY NO. 119-1974 38273 - Toro Powerlite Snowthrower, 2012 (312000001-312999999)

Hier finden Sie die Ersatzteilzeichnung für Toro Neu Snow Blowers/Snow Throwers Seite 1 38273 - Toro Powerlite Snowthrower, 2012 (312000001-312999999) ENGINE ASSEMBLY NO. 119-1974. Wählen Sie das benötigte Ersatzteil aus der Ersatzteilliste Ihres Toro Gerätes aus und bestellen Sie einfach online. Viele Toro Ersatzteile halten wir ständig in unserem Lager für Sie bereit.


