Einkaufswagen
Mein Konto

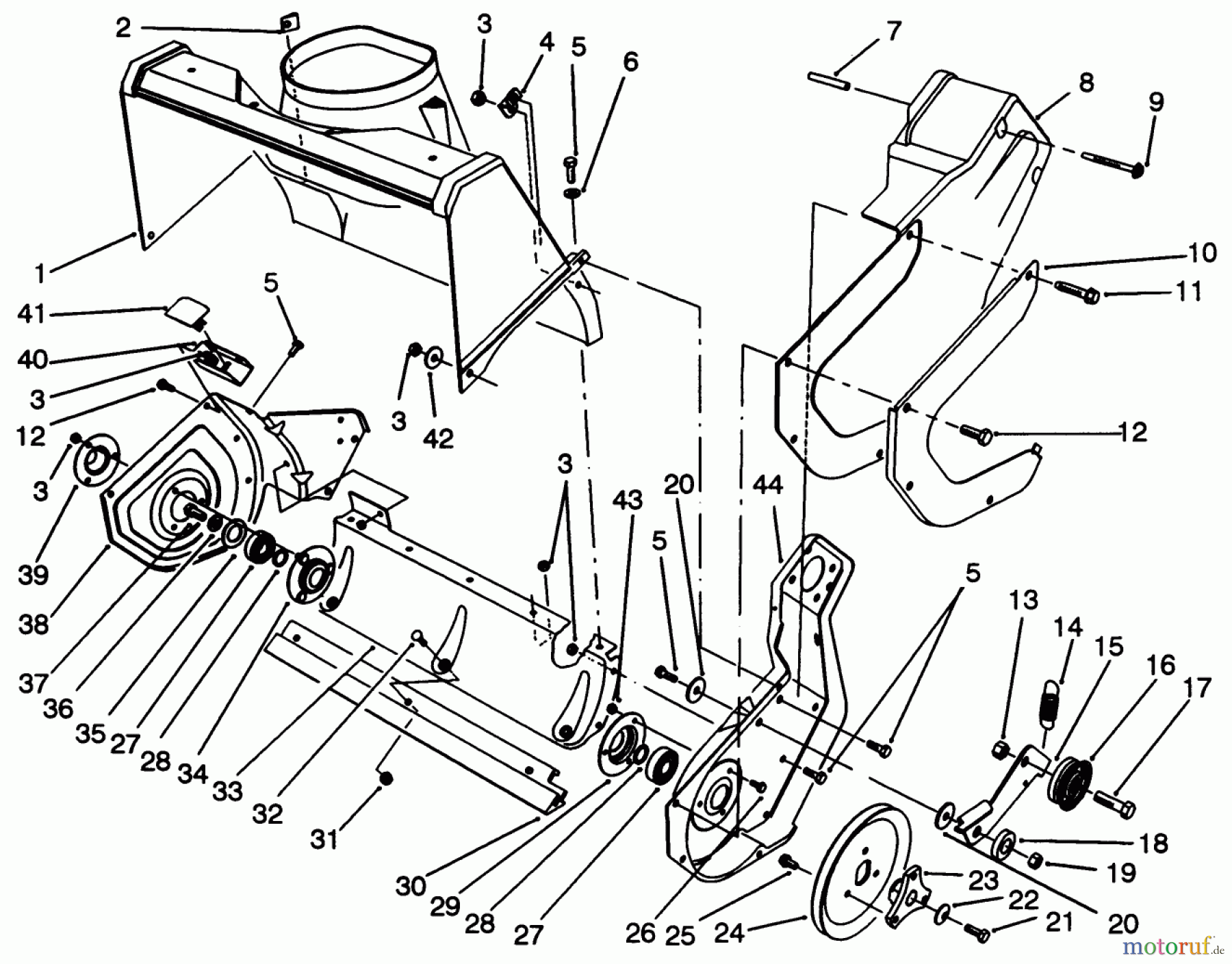
Toro 38196 - CCR 1000 Snowthrower, 1993 (3900001-3999999) ROTOR HOUSING ASSEMBLY Ersatzteile

ROTOR HOUSING ASSEMBLY 38196 - Toro CCR 1000 Snowthrower, 1993 (3900001-3999999)

 Toro Neu Snow Blowers/Snow Throwers Seite 1 38196 - Toro CCR 1000 Snowthrower, 1993 (3900001-3999999) ROTOR HOUSING ASSEMBLY

Hier finden Sie die Ersatzteilzeichnung für Toro Neu Snow Blowers/Snow Throwers Seite 1 38196 - Toro CCR 1000 Snowthrower, 1993 (3900001-3999999) ROTOR HOUSING ASSEMBLY. Wählen Sie das benötigte Ersatzteil aus der Ersatzteilliste Ihres Toro Gerätes aus und bestellen Sie einfach online. Viele Toro Ersatzteile halten wir ständig in unserem Lager für Sie bereit.

Rasen
Bankeinzug, MasterCard, Visa, American Express, PayPal, Nachnahme, Vorauskasse, Sofortüberweisung
Qualitätsmanagement
Informieren Sie uns, wenn Sie einen Fehler gefunden haben.