Toro 38165 (S-620) - S-620 Snowthrower, 1987 (7000001-7999999) ENGINE TECUMSEH MODEL NO. AH-600 TYPE 1622-M Ersatzteile
ENGINE TECUMSEH MODEL NO. AH-600 TYPE 1622-M 38165 (S-620) - Toro S-620 Snowthrower, 1987 (7000001-7999999)

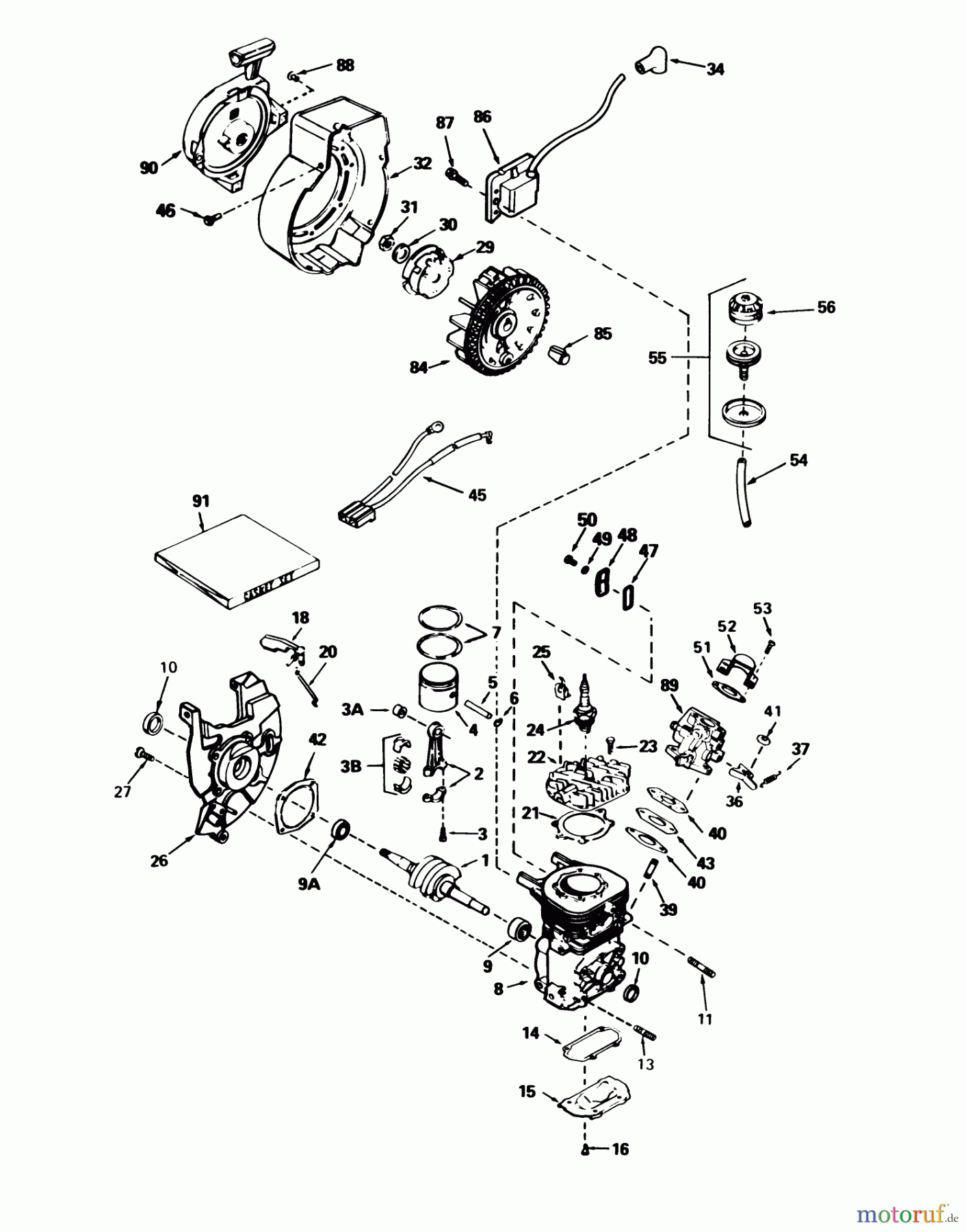
Hier finden Sie die Ersatzteilzeichnung für Toro Neu Snow Blowers/Snow Throwers Seite 1 38165 (S-620) - Toro S-620 Snowthrower, 1987 (7000001-7999999) ENGINE TECUMSEH MODEL NO. AH-600 TYPE 1622-M. Wählen Sie das benötigte Ersatzteil aus der Ersatzteilliste Ihres Toro Gerätes aus und bestellen Sie einfach online. Viele Toro Ersatzteile halten wir ständig in unserem Lager für Sie bereit.


Qualitätsmanagement
Informieren Sie uns, wenn Sie einen Fehler gefunden haben.

