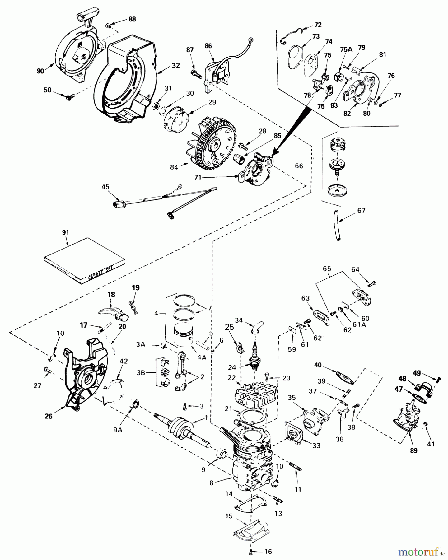
Toro 38120 (S-200) - S-200 Snowthrower, 1984 (4000001-4999999) ENGINE ASSEMBLY ENGINE TECUMSEH MODEL NO. AH520 TYPE 1602A & 1603B Ersatzteile
ENGINE ASSEMBLY ENGINE TECUMSEH MODEL NO. AH520 TYPE 1602A & 1603B 38120 (S-200) - Toro S-200 Snowthrower, 1984 (4000001-4999999)

Hier finden Sie die Ersatzteilzeichnung für Toro Neu Snow Blowers/Snow Throwers Seite 1 38120 (S-200) - Toro S-200 Snowthrower, 1984 (4000001-4999999) ENGINE ASSEMBLY ENGINE TECUMSEH MODEL NO. AH520 TYPE 1602A & 1603B. Wählen Sie das benötigte Ersatzteil aus der Ersatzteilliste Ihres Toro Gerätes aus und bestellen Sie einfach online. Viele Toro Ersatzteile halten wir ständig in unserem Lager für Sie bereit.


Qualitätsmanagement
Informieren Sie uns, wenn Sie einen Fehler gefunden haben.

