Einkaufswagen
Mein Konto

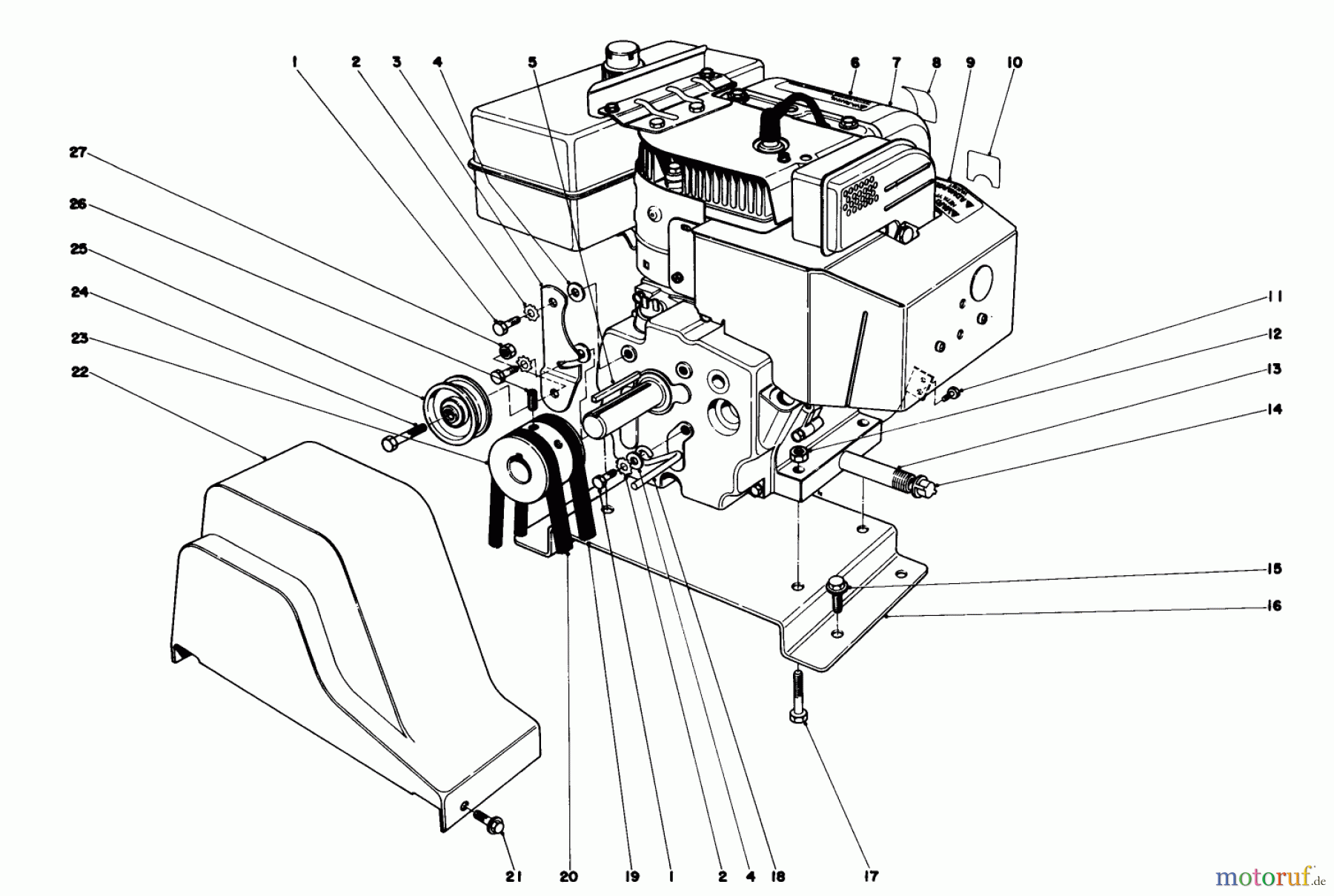
Toro 38085 (824) - 824 Snowthrower, 1980 (0000001-0999999) ENGINE ASSEMBLY Ersatzteile

ENGINE ASSEMBLY 38085 (824) - Toro 824 Snowthrower, 1980 (0000001-0999999)

 Toro Neu Snow Blowers/Snow Throwers Seite 1 38085 (824) - Toro 824 Snowthrower, 1980 (0000001-0999999) ENGINE ASSEMBLY

Hier finden Sie die Ersatzteilzeichnung für Toro Neu Snow Blowers/Snow Throwers Seite 1 38085 (824) - Toro 824 Snowthrower, 1980 (0000001-0999999) ENGINE ASSEMBLY. Wählen Sie das benötigte Ersatzteil aus der Ersatzteilliste Ihres Toro Gerätes aus und bestellen Sie einfach online. Viele Toro Ersatzteile halten wir ständig in unserem Lager für Sie bereit.

Rasen
Bankeinzug, MasterCard, Visa, American Express, PayPal, Nachnahme, Vorauskasse, Sofortüberweisung