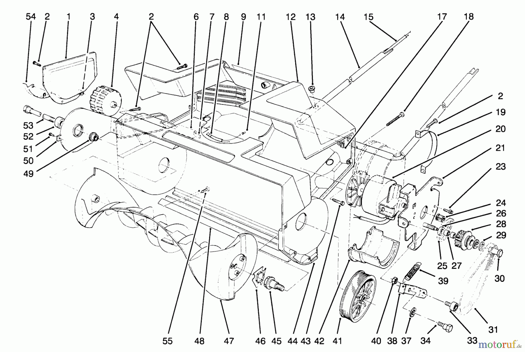
Toro 38025 (1800) - 1800 Power Curve Snowthrower, 1995 (59000001-59999999) HOUSING & ROTOR ASSEMBLY Ersatzteile
HOUSING & ROTOR ASSEMBLY 38025 (1800) - Toro 1800 Power Curve Snowthrower, 1995 (59000001-59999999)

Hier finden Sie die Ersatzteilzeichnung für Toro Neu Snow Blowers/Snow Throwers Seite 1 38025 (1800) - Toro 1800 Power Curve Snowthrower, 1995 (59000001-59999999) HOUSING & ROTOR ASSEMBLY. Wählen Sie das benötigte Ersatzteil aus der Ersatzteilliste Ihres Toro Gerätes aus und bestellen Sie einfach online. Viele Toro Ersatzteile halten wir ständig in unserem Lager für Sie bereit.


Qualitätsmanagement
Informieren Sie uns, wenn Sie einen Fehler gefunden haben.

