Toro 38015 (421) - 421 Snowthrower, 1980 (0000001-0999999) MAGNETO NO. 610944A Ersatzteile
MAGNETO NO. 610944A 38015 (421) - Toro 421 Snowthrower, 1980 (0000001-0999999)

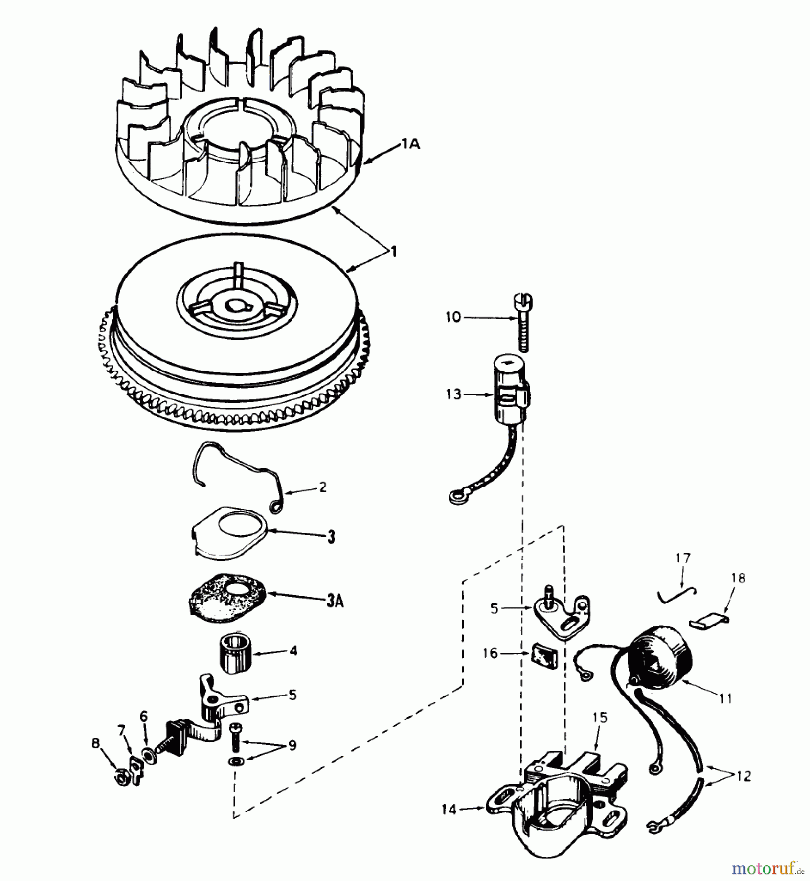
Hier finden Sie die Ersatzteilzeichnung für Toro Neu Snow Blowers/Snow Throwers Seite 1 38015 (421) - Toro 421 Snowthrower, 1980 (0000001-0999999) MAGNETO NO. 610944A. Wählen Sie das benötigte Ersatzteil aus der Ersatzteilliste Ihres Toro Gerätes aus und bestellen Sie einfach online. Viele Toro Ersatzteile halten wir ständig in unserem Lager für Sie bereit.


Qualitätsmanagement
Informieren Sie uns, wenn Sie einen Fehler gefunden haben.

