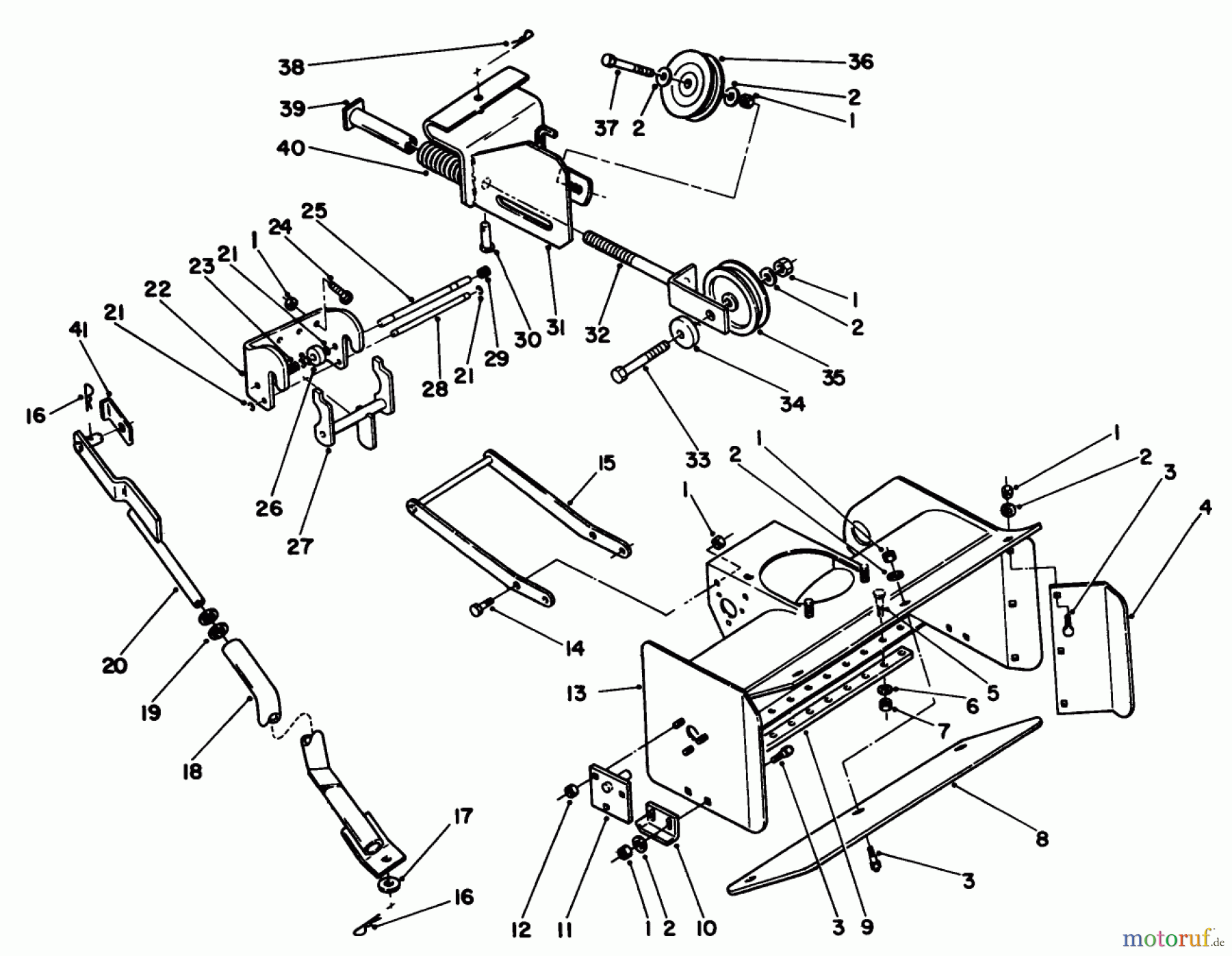
Toro 06-42SS01 - 42" Snowthrower, 1992 (2000001-2999999) BLOWER ASSEMBLY Ersatzteile
BLOWER ASSEMBLY 06-42SS01 - Toro 42" Snowthrower, 1992 (2000001-2999999)

Hier finden Sie die Ersatzteilzeichnung für Toro Neu Snow Blowers/Snow Throwers Seite 1 06-42SS01 - Toro 42" Snowthrower, 1992 (2000001-2999999) BLOWER ASSEMBLY. Wählen Sie das benötigte Ersatzteil aus der Ersatzteilliste Ihres Toro Gerätes aus und bestellen Sie einfach online. Viele Toro Ersatzteile halten wir ständig in unserem Lager für Sie bereit.


Qualitätsmanagement
Informieren Sie uns, wenn Sie einen Fehler gefunden haben.





