Einstellungen Computer

Toro Y1-16OEE4 (616-Z) - 616-Z Tractor, 1992 (2000001-2999999) CARBURETOR & INTAKE MANIFOLD ASSEMBLY Ersatzteile

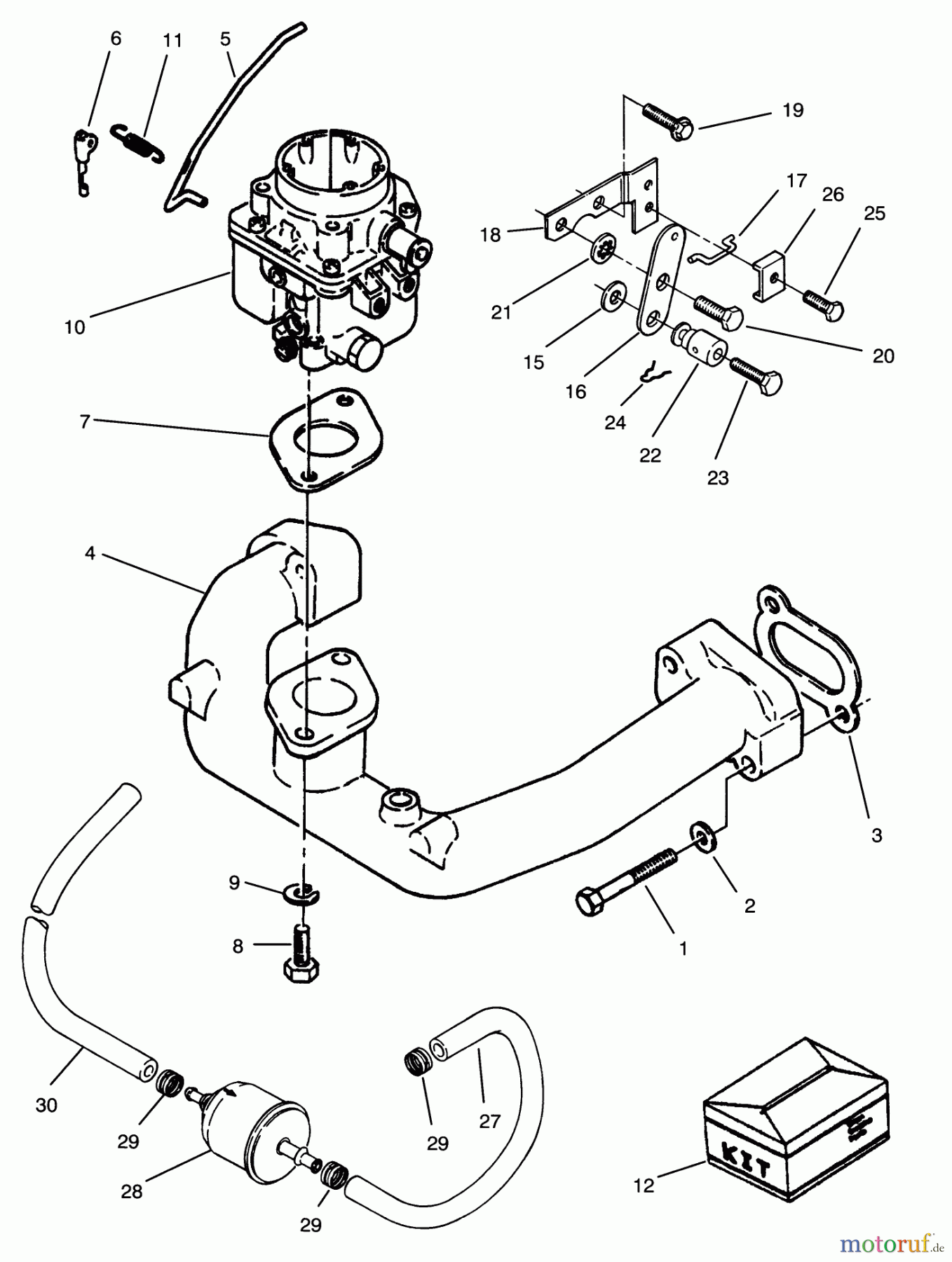
CARBURETOR & INTAKE MANIFOLD ASSEMBLY Y1-16OEE4 (616-Z) - Toro 616-Z Tractor, 1992 (2000001-2999999)

 Toro Neu Mowers, Zero-Turn Y1-16OEE4 (616-Z) - Toro 616-Z Tractor, 1992 (2000001-2999999) CARBURETOR & INTAKE MANIFOLD ASSEMBLY

Hier finden Sie die Ersatzteilzeichnung für Toro Neu Mowers, Zero-Turn Y1-16OEE4 (616-Z) - Toro 616-Z Tractor, 1992 (2000001-2999999) CARBURETOR & INTAKE MANIFOLD ASSEMBLY. Wählen Sie das benötigte Ersatzteil aus der Ersatzteilliste Ihres Toro Gerätes aus und bestellen Sie einfach online. Viele Toro Ersatzteile halten wir ständig in unserem Lager für Sie bereit.

Rasen
Bankeinzug, MasterCard, Visa, American Express, PayPal, Nachnahme, Vorauskasse, Sofortüberweisung
Datenschutzerklärung Impressum