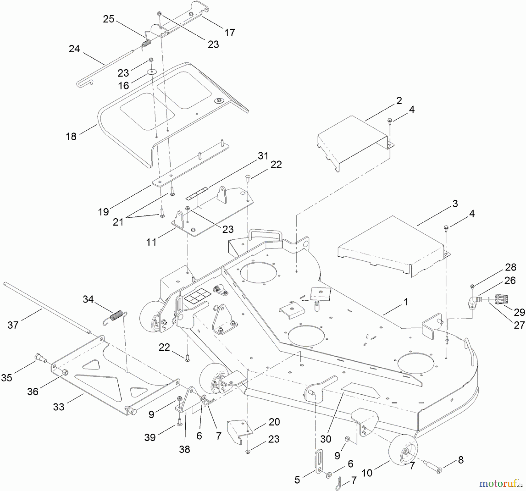
Toro 74872 (MX5480) - TITAN MX5480 Zero-Turn-Radius Riding Mower, 2012 (SN 312000001-312999999) 54 INCH DECK ASSEMBLY Ersatzteile
54 INCH DECK ASSEMBLY 74872 (MX5480) - Toro TITAN MX5480 Zero-Turn-Radius Riding Mower, 2012 (SN 312000001-312999999)

Hier finden Sie die Ersatzteilzeichnung für Toro Neu Mowers, Zero-Turn 74872 (MX5480) - Toro TITAN MX5480 Zero-Turn-Radius Riding Mower, 2012 (SN 312000001-312999999) 54 INCH DECK ASSEMBLY. Wählen Sie das benötigte Ersatzteil aus der Ersatzteilliste Ihres Toro Gerätes aus und bestellen Sie einfach online. Viele Toro Ersatzteile halten wir ständig in unserem Lager für Sie bereit.



