Einstellungen Computer

Toro 74626 (4260) - TimeCutter SS 4260 Riding Mower, 2011 (311000001-311999999) RIGHT HAND HYDRO TRANSAXLE ASSEMBLY NO. 119-3331 Ersatzteile

RIGHT HAND HYDRO TRANSAXLE ASSEMBLY NO. 119-3331 74626 (4260) - Toro TimeCutter SS 4260 Riding Mower, 2011 (311000001-311999999)

 Toro Neu Mowers, Zero-Turn 74626 (4260) - Toro TimeCutter SS 4260 Riding Mower, 2011 (311000001-311999999) RIGHT HAND HYDRO TRANSAXLE ASSEMBLY NO. 119-3331

Hier finden Sie die Ersatzteilzeichnung für Toro Neu Mowers, Zero-Turn 74626 (4260) - Toro TimeCutter SS 4260 Riding Mower, 2011 (311000001-311999999) RIGHT HAND HYDRO TRANSAXLE ASSEMBLY NO. 119-3331. Wählen Sie das benötigte Ersatzteil aus der Ersatzteilliste Ihres Toro Gerätes aus und bestellen Sie einfach online. Viele Toro Ersatzteile halten wir ständig in unserem Lager für Sie bereit.

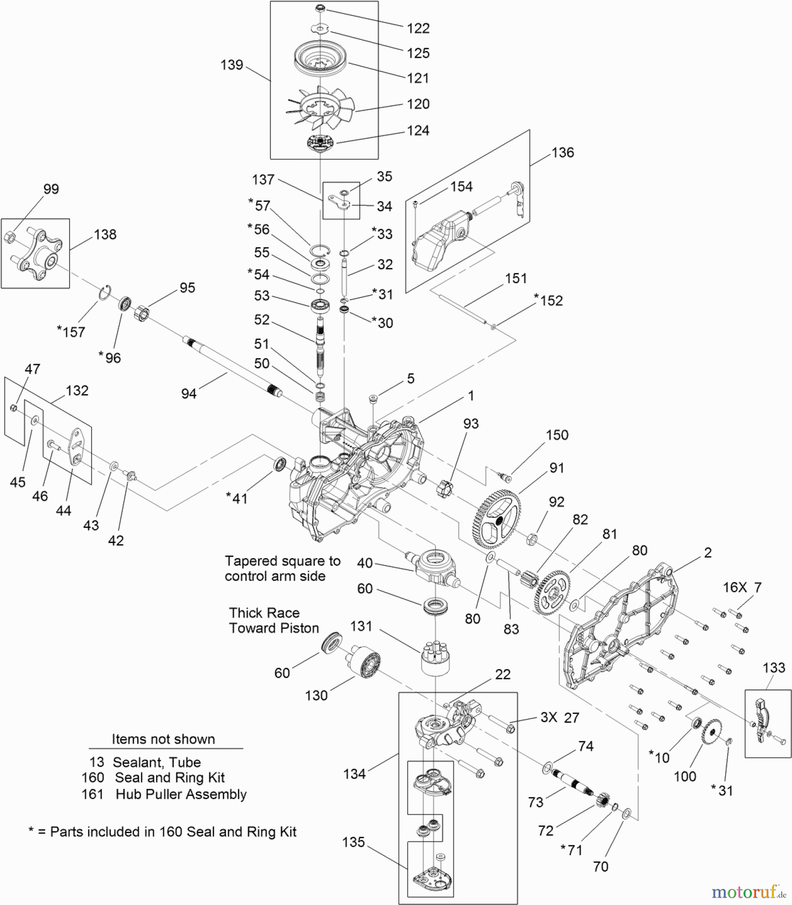
BildNrArtikel NummerBezeichnung
1 TR120-5531MAIN HOUSING ASM
2 TR120-5533HOUSING SIDE KIT
5 TR104-2189PLUG-THREAD, STRAIGHT
7 TR117-5359SCREW-HHF
10 TR120-5535120-7103
13 TR104-2147Dichtungsmasse
22 TR114-1680PLATE-BYPASS
27 TR120-5536BOLT-HEX FLANGE
30 TR106-8676SEAL-LIP
31 TR106-8677Sicherungsring
32 TR106-8678ROD-BYPASS
33 TR106-8679RING-RETAINING, INT
34 TR107-2490Schaltarm
35 TR106-8681RING-RETAINING, EXT
40 TR104-5304SWASHPLATE-TRUNNION
41 TR104-5313SEAL-LIP
42 TR104-2116STEHBOLZEN
43 TR112-9853PUCK-FRICTION
44 TR106-8747ARM-CONTROL
45 TR114-8491WASHER
46 TR107-2488Schraube
47 TR105-1872NUT
50 TR120-5537SPRING-COMPRESSION
51 TR120-5538WASHER
52 TR104-5306Zahnwelle
53 TR104-5311Kugellager
54 TR104-5307RING-RETAINING
55 TR104-5308Distanzscheibe
56 TR104-5310SEAL-LIP
57 TR104-5309Seegerring
60 TR94-6922BEARING-THRUST
70 TR104-5339SCHEIBE
71 TR104-5340RING-RETAINING
72 TR104-5316ZAHNRAD
73 TR106-8683SHAFT-MOTOR
74 TR104-5360WASHER
80 TR119-5541
81 TR104-5317ZAHNRAD
82 TR104-5318GEAR-JACKSHAFT, 10T
83 TR104-5329PIN-JACKSHAFT
91 TR120-5539GEAR-BULL
92 TR104-2142NUT-HJ
93 TR115-8314
94 TR120-5540SHAFT-AXLE
95 TR120-5541BEARING-SLEEVE
96 TR120-5542120-7103
99 TR120-5543NUT-HEX LOCK
100 TR106-8694Scheibe
120 TR121-5729FAN PULLEY KIT
121 TR120-5545
122 TR105-1875NUT-LOCK
124 TR120-5546121-5729
125 TR107-9122WASHER-SLOTTED
130 TR103-2666CYLINDER BLOCK KIT
131 TR110-8561PUMP BLOCK ASM
132 TR117-5362ARM CONTROL KIT
133 TR106-8688Bremsarm
134 TR112-9862CENTER SECTION FILTER KIT
135 TR114-1634FILTER KIT
136 TR121-5735LH EXPANSION TANK KIT
137 TR107-2489BYPASS ARM KIT
138 TR121-5731HUB KIT
139 TR105-1928Luefterkit
150 TR104-5349FITTING
151 TR115-8302HOSE
152 TR104-5361O-Ring
154 TR120-7100BOLT-SELF TAPPING
157 TR120-7102121-5729
160 TR120-7103SEAL AND RING KIT
161 TR114-8467HUB-PULLER, 4 BOLT
Rasen
Bankeinzug, MasterCard, Visa, American Express, PayPal, Nachnahme, Vorauskasse, Sofortüberweisung
Datenschutzerklärung Impressum
Qualitätsmanagement
Informieren Sie uns, wenn Sie einen Fehler gefunden haben.