Toro 74433 (ZD420) - TimeCutter ZD420 Riding Mower, 2008 (280000001-280999999) RH HYDRO TRANSAXLE NO. 112-4761 Ersatzteile
RH HYDRO TRANSAXLE NO. 112-4761 74433 (ZD420) - Toro TimeCutter ZD420 Riding Mower, 2008 (280000001-280999999)

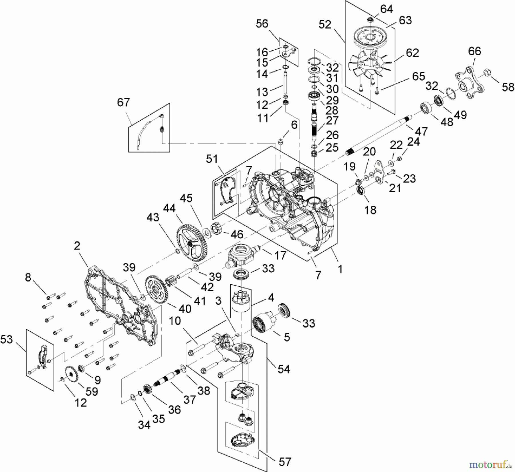
Hier finden Sie die Ersatzteilzeichnung für Toro Neu Mowers, Zero-Turn 74433 (ZD420) - Toro TimeCutter ZD420 Riding Mower, 2008 (280000001-280999999) RH HYDRO TRANSAXLE NO. 112-4761. Wählen Sie das benötigte Ersatzteil aus der Ersatzteilliste Ihres Toro Gerätes aus und bestellen Sie einfach online. Viele Toro Ersatzteile halten wir ständig in unserem Lager für Sie bereit.


Qualitätsmanagement
Informieren Sie uns, wenn Sie einen Fehler gefunden haben.

